SKF23196CA/W33*轴承详细参数

发布时间:2026-04-14
球面滚子轴承, 圆柱和圆锥孔, 圆柱型内孔, 无密封件
主要数据尺寸 基本负荷额定值 疲劳负荷限值 额定速度 体积 型号
动态 静态 参照速度 限制速度
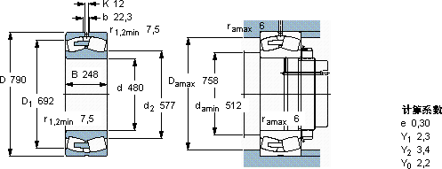
d D B C C0 Pu * - SKF Explorer 轴承
mm kN kN r/min kg -
48079024869501200078040075048523196 CA/W33 *

SKF23196CA/W33*球面滚子轴承供应商

八零动力专业销售23196CA/W33*球面滚子轴承,库存SKF23196CA/W33*大量现货,与SKF合作,咨询热线:022-58519723业务咨询
SKF23196CA/W33*这轴承的选材讲究,坚固耐用,寿命远超同类产品这轴承的精度控制令人佩服,为设备的精准运行提供了保障让您的机械如虎添翼,它的品质卓越,为机械设备的高效、稳定运行保驾护航它的长寿命,减少了资源浪费 品质卓越,八零动力SKF球面滚子轴承品种全,价格优,质量有保证!

用户关注最多的SKF轴承型号

SKF51109V/HR22T2 SKF53314U SKF619/7 SKF7001C/DF SKF7006CE/P4A SKF7010ACD/P4A SKF7014CE/HCP4A SKF71811ACD/HCP4 SKFBT4B328827ABG/HA1VA902 SKFCR340x390x25.4HDS1R SKFCR50X72X12HMSA10V SKFNJ422+HJ422 SKFNNCF5012CV SKFNUP316ECML* SKFSAF22617x2.13/16

23196CA/W33*球面滚子轴承近似的SKF轴承型号

SKF23196CAK/W33+AOHX3196G* SKF23196CA/W33* SKF23196CAK/W33* SKF23196CAK/W33+OH3196H* SKF23196CA/W33 SKF2319K

用户关注最多的轴承狗热门型号

NACHI  51413 SKF  PCM252815B TIMKEN  010-10650 BARDEN  7006C/DB NACHI  5217 NACHI  LM12749/LM12710 MRC  7209AC/DT SKF  CR42573 SKF  23984CC/W33 SKF  BT4B330886CG/HA1 KOYO  NN3019K NSK  51130X GMN  71916C/DT FAG  SNV100-L + 1211-K-TVH-C3 + H211X200 + DHV511 IKO  IRB2416

版权所有©2009-2015 轴承狗zcgou.com ICP备案:津ICP备14004550号-13