SKF23184CJ/W33*轴承详细参数

发布时间:2026-05-29
球面滚子轴承, 圆柱和圆锥孔, 圆柱型内孔, 无密封件
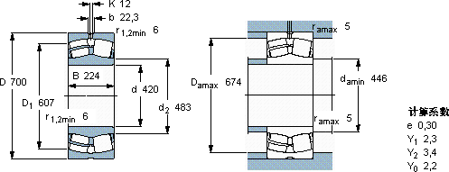
主要数据尺寸 基本负荷额定值 疲劳负荷限值 额定速度 体积 型号
动态 静态 参照速度 限制速度
d D B C C0 Pu * - SKF Explorer 轴承
mm kN kN r/min kg -
4207002245600930062048090035023184 CJ/W33 *

SKF23184CJ/W33*球面滚子轴承供应商

八零动力专业销售23184CJ/W33*球面滚子轴承,库存SKF23184CJ/W33*大量现货,与SKF合作,咨询热线:022-58519723业务咨询
SKF23184CJ/W33*轴承的精度极高,使得设备的运行误差被控制在极小范围内先进的制造技术和严格的质量检测,造就了这款优质轴承卓越的设计理念,赋予了这款轴承超凡的性能这款轴承的运转平稳,几乎听不到任何噪音,令人惊艳它的可回收性,体现了环保理念 高精度的轴承,为设备的稳定运行提供了坚实保障,八零动力SKF球面滚子轴承品种全,价格优,质量有保证!

用户关注最多的SKF轴承型号

SKF1306 SKF22215E/W64* SKF22224CCK/W33+H3124 SKF23036CCK/W33+AH3036* SKF7010DB/P7 SKFBTM110B/P4CDBA SKFCR11776 SKFCR19656 SKFCR38749 SKFFYR1.15/16-3 SKFOH3992H SKFNU20/530ECMA SKFQJ222N2MA* SKFSAF22544 SKFSAKB12F

23184CJ/W33*球面滚子轴承近似的SKF轴承型号

SKF23184CKJ/W33* SKF23184CKJ/W33+OH3184H* SKF23184CJ/W33* SKF23184CKJ/W33+AOH3184G* SKF23184CJ/W33 SKF23184CKJ/W33*

用户关注最多的轴承狗热门型号

LYC  NN 3052 K/C2 FAG  NJ2209-E-TVP2 SKF  CR115021 NSK  2215K LYC  6009 E/P5Z1 SKF  PCM202320E SNR  7232AC/DF FAG  F515-A-L + 2215-K-TVH-C3 SKF  IR50x58x40 INA  GIR15-DO NSK  ZM-UCFL211D1 SKF  CR90X110X10HMS5RG NTN  NF414 TIMKEN  759 /752-B SKF  PF25FM

版权所有©2009-2015 轴承狗zcgou.com ICP备案:津ICP备14004550号-13