SKF23172CCK/W33+OH3172H*轴承详细参数

发布时间:2026-04-05
球面滚子轴承, 带紧定套的
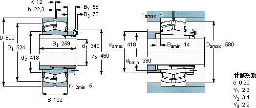
主要数据尺寸 基本负荷额定值 疲劳负荷限值 额定速度 体积 型号
动态 静态 参照速度 限制速度 轴承 + 紧定套
d1 D B C C0 Pu
* - SKF Explorer 轴承
mm kN kN r/min kg -
34060019243006950490750100026023172 CCK/W33 + OH 3172 H *

SKF23172CCK/W33+OH3172H*球面滚子轴承供应商

八零动力专业销售23172CCK/W33+OH3172H*球面滚子轴承,库存SKF23172CCK/W33+OH3172H*大量现货,与SKF合作,咨询热线:022-58519723业务咨询
SKF23172CCK/W33+OH3172H*从制造工艺到实际性能,这款轴承都表现得十分出色,优秀的设计和卓越的性能,让这款轴承备受青睐质量无可比拟的轴承,在行业内树立了良好的品质标杆它的耐腐蚀性,减少了维护成本 它在机床设备中的应用,确保了加工精度 它虽小,却是工业革命的基石 ,八零动力SKF球面滚子轴承品种全,价格优,质量有保证!

用户关注最多的SKF轴承型号

SKF22332CCJA/W33VA406 SKF6203-RS SKFBT4B331950/HA4 SKFCR12X30X7HMS5V SKFCR18x32x7CRW1R SKFCR320x358x19HDS1R SKFHM89499/2/410/QCL7C SKFNCF2888V SKFNJ207ECPH* SKFNU18/600ECMA/HB1 SKFOKBS133 SKFOKBS138 SKFSAF1522 SKFSY1.11/16RM SKFW6207-2RS1

23172CCK/W33+OH3172H*球面滚子轴承近似的SKF轴承型号

SKF23172CCK/W33+OH3172H* SKF23172CCK/W33* SKF23172CCK/W33+AOH3172G* SKF23172CC/W33* SKF23172CCK/W33+AOH3172G* SKF23172CC/W33

用户关注最多的轴承狗热门型号

MRC  635-Z FAG  SNV090-L + 20210-TVP + DHV210 NSK  ZM-UCFL205-014D1 SKF  NU420 FAG  SNV270-L + 222SM135-TVPA + FSV530 FAG  SNV170-L + 2316-K-M-C3 + H2316X212 + TSV616 TIMKEN  468/453A INA  K50X57X18 SKF  FYRP2.3/4H-3 NTN  2306 国产  6010E INA  BPLSE35-FE FAG  SNV120-L + 22213-E1-K + H313 + TCV513 IKO  CRH28VUUR IKO  CRY32VUUR

版权所有©2009-2015 轴承狗zcgou.com ICP备案:津ICP备14004550号-13