SKF23156-2CS5/VT143*轴承详细参数

发布时间:2026-05-30
球面滚子轴承, 圆柱和圆锥孔, 圆柱型内孔, 两面密封件
主要数据尺寸 基本负荷额定值 疲劳负荷限值 额定速度 体积 型号
动态 静态 参照速度 限制速度
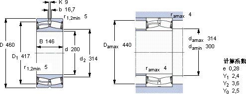
d D B C C0 Pu * - SKF Explorer 轴承
mm kN kN r/min kg -
28046014626504250335-300-23156-2CS5/VT143 *

SKF23156-2CS5/VT143*球面滚子轴承供应商

八零动力专业销售23156-2CS5/VT143*球面滚子轴承,库存SKF23156-2CS5/VT143*大量现货,与SKF合作,咨询热线:022-58519723业务咨询
SKF23156-2CS5/VT143*为您的设备保驾护航,让机械运转无忧性能卓越的它,为机械设备的稳定运行提供了可靠保障它的抗震性能,确保了它在振动环境下的可靠性 它在船舶工业中的应用,展现了它的耐腐蚀性 它的密封性能,减少了润滑剂的泄漏 优秀的设计理念和精湛的制造工艺,成就了这款优秀的轴承,八零动力SKF球面滚子轴承品种全,价格优,质量有保证!

用户关注最多的SKF轴承型号

SKF2213E-2RS1KTN9 SKF51100V/HR22T2 SKF5213A-2Z SKF5309E-2Z SKF53222 SKF71932C SKF7302B/DB SKFC2326K/VE240* SKFCR38X55X7HMS5RG SKFCR520x580x25HDS2R1 SKFCR8017 SKFFYRP3.7/16H-18 SKFFYTJ45KF SKFNCF3015CV SKFSC7020FB/P7

23156-2CS5/VT143*球面滚子轴承近似的SKF轴承型号

SKF23156CC/W33* SKF23156CCK/W33* SKF23156-2CS5K/VT143* SKF23156CCK/W33+AOH3156G* SKF23156CCK/W33+OH3156H* SKF23156-2CS5/VT143* SKF23156-2CS5K/VT143* SKF23156CACK/33+H3156

用户关注最多的轴承狗热门型号

国产  52320 TIMKEN  GE17KRRB SKF  NAO20x37x16 国产  6315-ZNR FAG  HSS71928-C-T-P4S NACHI  62/32NKE LYC  6301 E-2RS/Z1 SKF  NNF5012ADA-2LSV INA  ML5525 SKF  W619/6-2Z SKF  6011-2Z/VA201 STEYR  NU2226 LYC  23152 K/C3W33 INA  NK95/26 FAG  BND2213-H-C-Y-BL-S

版权所有©2009-2015 轴承狗zcgou.com ICP备案:津ICP备14004550号-13