SKF230/600CA/W33*轴承详细参数

发布时间:2026-05-29
球面滚子轴承, 圆柱和圆锥孔, 圆柱型内孔, 无密封件
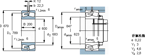
主要数据尺寸 基本负荷额定值 疲劳负荷限值 额定速度 体积 型号
动态 静态 参照速度 限制速度
d D B C C0 Pu * - SKF Explorer 轴承
mm kN kN r/min kg -
600870200600011400750400700405230/600 CA/W33 *

SKF230/600CA/W33*球面滚子轴承供应商

八零动力专业销售230/600CA/W33*球面滚子轴承,库存SKF230/600CA/W33*大量现货,与SKF合作,咨询热线:022-58519723业务咨询
SKF230/600CA/W33*它的抗变形能力,让它在高负载下依然保持形状 它机械世界的心脏,默默支撑着无数设备的运转 成就非凡转动体验让您的设备一顺到底,旋转不息这款轴承的稳定性极佳,在长时间运行中也能保持良好状态它的故障率极低,确保了设备的稳定运行 ,八零动力SKF球面滚子轴承品种全,价格优,质量有保证!

用户关注最多的SKF轴承型号

SKF331192A SKF6308-2Z/VA201 SKF7026C/DT SKF7211BEGBY SKF89184M SKFBK1512 SKFC2217K+H317E* SKFCR13676 SKFCR32x52x8CRW1R SKFGE180ES-2LS SKFHE320E SKFNNU4932BK/SPW33 SKFPCMF081005.5B SKFSNL3164TURT SKFSYR1.1/2

230/600CA/W33*球面滚子轴承近似的SKF轴承型号

SKF23088CA/W33* SKF230/800CAK/W33+AOH30/800* SKF230/750CAK/W33+AOH30/750* SKFBS2-2308-2CSK/VT143* SKF23230CCK/W33+AHX3230G* SKF23044-2CS5/VT143* SKF23040CCK/W33+AH3040G* SKF23044CC/W33* SKF23032-2CS5/VT143* SKF23076CCK/W33* SKF230/600CAK/W33* SKF230/630CAK/W33+AOH30/630*

用户关注最多的轴承狗热门型号

TORRINGTON&FAFNIR  7324B TIMKEN  140RF30 NTN  7310B/DB LYC  626 E-Z INA  PAP2220-P20 SKF  MB27 SKF  23284CAK/W33+OH3284H* KOYO  24168RHA NTN  NJ413 SKF  6218N LYC  NJ 210 M/02 TIMKEN  462/452DC+X2S-462 FAG  20230-MB NSK  6306DDU IKO  NAS5020ZZNR

版权所有©2009-2015 轴承狗zcgou.com ICP备案:津ICP备14004550号-13