SKF23036CCK/W33+AH3036*轴承详细参数

发布时间:2026-05-30
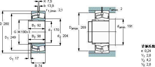
球面滚子轴承, 带退卸套的
主要数据尺寸 基本负荷额定值 疲劳负荷限值 额定速度 体积 型号
动态 静态 参照速度 限制速度 轴承 +退卸套
d1 D B C C0 Pu
* - SKF Explorer 轴承
mm kN kN r/min kg -
1702807483012501142000260019,323036 CCK/W33 + AH 3036 *

SKF23036CCK/W33+AH3036*球面滚子轴承供应商

八零动力专业销售23036CCK/W33+AH3036*球面滚子轴承,库存SKF23036CCK/W33+AH3036*大量现货,与SKF合作,咨询热线:022-58519723业务咨询
SKF23036CCK/W33+AH3036*它的滚动体与沟槽的配合,堪称完美 它的抗压强度,让它承载能力惊人 承载重载历经岁月它的质量过硬,为机械设备的高效、安全运行提供了保障它的加工设备,代表了世界领先水平 其质量上乘,是众多机械设备不可或缺的优质配件,八零动力SKF球面滚子轴承品种全,价格优,质量有保证!

用户关注最多的SKF轴承型号

SKF321426 SKF71814ACD/P4 SKF71824CD/HCP4A SKF7215C/DT SKFBT4-8111E2/C725* SKFCR34X58X13CRSH11R SKFCR41401 SKFCR38X60X10HMSA10RG SKFCR408503 SKFHMV160E SKFKR40PPA SKFNNU4984BK/SPW33 SKFRNA4902.2RS SKFSIKAC10M SKFSYR2.7/16NH

23036CCK/W33+AH3036*球面滚子轴承近似的SKF轴承型号

SKF23036CCK/W33+H3036* SKF23036-2CS5K/VT143* SKF23036CCK/W33+AH3036* SKF23036-2CS5/VT143* SKF23036CCK/W33* SKF23036CC/W33* SKF23036CCK/W33* SKF23036CCK/W33+H3036*

用户关注最多的轴承狗热门型号

FYH  UCK308 KOYO  1322K DKF  7244B/DF FAG  SNV200-L + 22319-E1-K + H2319X306 + FSV619 STEYR  1215K+H215 LYC  633295 LYC  30204/P5 SKF  NNU4924BK/SPW33 GMN  7226AC/DB NACHI  NJ2222E RHP  3210A FAFNIR  7230AC NTN  1214 SKF  BT2B332504/HA2 IKO  CF10VRM

版权所有©2009-2015 轴承狗zcgou.com ICP备案:津ICP备14004550号-13