SKF230/1000CAF/W33轴承详细参数

发布时间:2026-04-15
球面滚子轴承, 圆柱和圆锥孔, 圆柱型内孔, 无密封件
主要数据尺寸 基本负荷额定值 疲劳负荷限值 额定速度 体积 型号
动态 静态 参照速度 限制速度
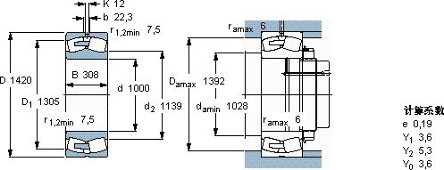
d D B C C0 Pu
mm kN kN r/min kg -
10001420308127003050017001803601600230/1000 CAF/W33

SKF230/1000CAF/W33球面滚子轴承供应商

八零动力专业销售230/1000CAF/W33球面滚子轴承,库存SKF230/1000CAF/W33大量现货,与SKF合作,咨询热线:022-58519723业务咨询
SKF230/1000CAF/W33它的品质卓越,为机械设备的高效运行提供了坚实后盾它的承载能力,堪称机械界的“大力士” 高品质的轴承,在各种复杂环境下都能稳定发挥作用它的抗变形能力,让它在高负载下依然保持形状 就是选择高效与可靠它在汽车工业中的应用,让车辆运行更加平稳 ,八零动力SKF球面滚子轴承品种全,价格优,质量有保证!

用户关注最多的SKF轴承型号

SKF1206K SKF24076CCK30/W33* SKF2x7240BCBM SKF3205A-2ZTN9/MT33* SKF6017-2Z* SKF7012CE/P4A SKFBA5 SKFCR15818 SKFCR2650560 SKFCR5543 SKFKMFE36 SKFNNCF4836CV SKFPCM202325B SKFSA50TXE-2LS SKFW619/9

230/1000CAF/W33球面滚子轴承近似的SKF轴承型号

SKF230/800CAK/W33+AOH30/800* SKF22230CCK/W33+AHX3130G* SKF23030CC/W33* SKF23038CCK/W33* SKF230/600CAK/W33+OH30/600H* SKF230/630CAK/W33+OH30/630H* SKF230/1000CAF/W33 SKF230/1060CAF/W33 SKF23026CCK/W33+H3026* SKF22308E/VA405* SKF230/1000CAK/W33+OH30/1000H SKF230/1000CAKF/W33

用户关注最多的轴承狗热门型号

SKF  N311ECP SKF  SC71907FB/P7 LYC  NN 3056 K LYC  22338/C3W33 MAC  NJ330 DKF  7306B/DT DKF  7314B/DB TIMKEN  26118/26284D/X1S-26118 NTN  6000-2RS NSK  NN3011TBKR TIMKEN  390A/3920 KOYO  7316B LYC  26/900/C3W33XYA3S1 NSK  MF137ZZ IKO  GBR283720UU

版权所有©2009-2015 轴承狗zcgou.com ICP备案:津ICP备14004550号-13