SKF230/670CA/W33*轴承详细参数

发布时间:2026-05-30
球面滚子轴承, 圆柱和圆锥孔, 圆柱型内孔, 无密封件
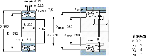
主要数据尺寸 基本负荷额定值 疲劳负荷限值 额定速度 体积 型号
动态 静态 参照速度 限制速度
d D B C C0 Pu * - SKF Explorer 轴承
mm kN kN r/min kg -
670980230765014600915340600600230/670 CA/W33 *

SKF230/670CA/W33*球面滚子轴承供应商

八零动力专业销售230/670CA/W33*球面滚子轴承,库存SKF230/670CA/W33*大量现货,与SKF合作,咨询热线:022-58519723业务咨询
SKF230/670CA/W33*质量上乘的轴承,为设备的高效稳定运行奠定了基础稳定的传奇是您机械世界里的不败功臣,它的轻量化设计,减少了材料的使用 该轴承的性能优越,极大地提高了设备的工作效率它在冶金设备中的应用,确保了设备的高温性能 ,八零动力SKF球面滚子轴承品种全,价格优,质量有保证!

用户关注最多的SKF轴承型号

SKF2211E-2RS1KTN9+H311C SKF331300 SKF71809CD/P4A SKF7215AC/DB SKFCR26X47X7HMS5V SKFCR17811 SKFCR401901 SKFCR40X70X12CRSH11R SKFHE3030 SKFK60x66x40ZW SKFNA4904 SKFPCM161812E SKFPFD1.1/16WF SKFS7006DB/P7 SKFTVN308A

230/670CA/W33*球面滚子轴承近似的SKF轴承型号

SKF22230CCK/W33* SKF230/1000CAF/W33 SKF23036CCK/W33* SKF23068CCK/W33+OH3068H* SKF23024CC/W33* SKFBS2-2308-2CS/VT143* SKF23048-2CS5K/VT143* SKF23032CCK/W33+AH3032* SKF230/900CAK/W33+AOH30/900 SKF23028CCK/W33+H3028* SKF230/670CAK/W33* SKF230/710CAK/W33+AOH30/710*

用户关注最多的轴承狗热门型号

NTN  NF336 LYC  QJ 1040 M/P5 LYC  N 240 EM/YB SKF  CR2000239 TIMKEN  HM804846/HM804810 SKF  CR70x95x10CRW1R NTN  F623 国产  NA4906A INA  ADB18 国产  6000/Z2 INA  KSR16-L0-12-10-17-15 NTN  UCP318 NTN  NUP214E KOYO  NU2212R NTN  51130

版权所有©2009-2015 轴承狗zcgou.com ICP备案:津ICP备14004550号-13