SKF230/1060CAK/W33+OH30/1060H轴承详细参数

发布时间:2026-05-30
球面滚子轴承, 带紧定套的
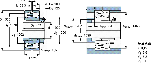
主要数据尺寸 基本负荷额定值 疲劳负荷限值 额定速度 体积 型号
动态 静态 参照速度 限制速度 轴承 + 紧定套
d1 D B C C0 Pu
mm kN kN r/min kg -
10001500325138003400018301703202800230/1060 CAK/W33 + OH 30/1060 H

SKF230/1060CAK/W33+OH30/1060H球面滚子轴承供应商

八零动力专业销售230/1060CAK/W33+OH30/1060H球面滚子轴承,库存SKF230/1060CAK/W33+OH30/1060H大量现货,与SKF合作,咨询热线:022-58519723业务咨询
SKF230/1060CAK/W33+OH30/1060H轴承的性能可靠,为机械设备的稳定运行立下汗马功劳制造工艺精湛,使得这款轴承的精度和稳定性都非常出色它的精准度,让机械运转分毫不差 它的低噪音设计,减少了对环境的噪音污染 优秀的设计理念和精湛的制造工艺,成就了这款杰出的轴承是机械世界的璀璨明星,,八零动力SKF球面滚子轴承品种全,价格优,质量有保证!

用户关注最多的SKF轴承型号

SKF29288 SKF7315B/DB SKF7319BEGAF SKFBC4-8046/HB1 SKFCR38X72X12CRSHA1R SKFCR780x830x22HS5R SKFFY1.1/8TF/AH SKFNCF3076CV SKFNU2211ECP SKFNUP2320ECJ* SKFQJ306N2PHAS* SKFS71911CD/P4A SKFSA70TXE-2LS SKFSY1.1/2TF/VA201 SKFYET205/W64

230/1060CAK/W33+OH30/1060H球面滚子轴承近似的SKF轴承型号

SKF23080CCK/W33+AOH3080G* SKF23048CCK/W33* SKF23052CCK/W33* SKF23028CCK/W33+H3028* SKF23068CCK/W33+OH3068H* SKF23092CAK/W33+OH3092H* SKF23064CCK/W33+OH3064H* SKF230/1060CAKF/W33 SKF230/560CA/W33* SKF230/900CAK/W33 SKF230/1060CAKF/W33+AOH30/1060 SKF230/1060CAF/W33

用户关注最多的轴承狗热门型号

SKF  KD2-453 NTN  51201 FAG  NN3024-AS-K-M-SP KOYO  3208A LYC  30305/01 LYC  6206 E-RZ/Z1 SKF  71816CD/P4A LYC  6303 E/YA NACHI  NP348 国产  6311-Z/Z3 NACHI  NUP326 TORRINGTON FAFNIR  6307 KOYO  70R7620 TORRINGTON FAFNIR  6210-RS IKO  LRT708060

版权所有©2009-2015 轴承狗zcgou.com ICP备案:津ICP备14004550号-13