SKF23038CCK/W33+H3038*轴承详细参数

发布时间:2026-04-15
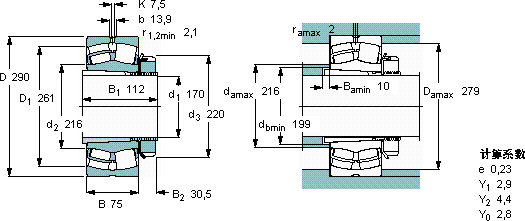
球面滚子轴承, 带紧定套的
主要数据尺寸 基本负荷额定值 疲劳负荷限值 额定速度 体积 型号
动态 静态 参照速度 限制速度 轴承 + 紧定套
d1 D B C C0 Pu
* - SKF Explorer 轴承
mm kN kN r/min kg -
1702907586513401221900240024,823038 CCK/W33 + H 3038 *

SKF23038CCK/W33+H3038*球面滚子轴承供应商

八零动力专业销售23038CCK/W33+H3038*球面滚子轴承,库存SKF23038CCK/W33+H3038*大量现货,与SKF合作,咨询热线:022-58519723业务咨询
SKF23038CCK/W33+H3038*从制造工艺到实际性能,这款轴承都表现得十分出色,它的表面硬化处理,延长了它的使用寿命 质量上乘的轴承,是提升机械设备性能的关键因素它的稳定性,让它在各种环境下都能可靠工作 先进的生产工艺,打造出了这款性能卓越的轴承稳定持久,八零动力SKF球面滚子轴承品种全,价格优,质量有保证!

用户关注最多的SKF轴承型号

SKF2x7334BCBM SKF32208 SKF61984 SKF6205-RSH* SKF7003C SKF7224B/DT SKFCR12747 SKFCR186x226x16HS8R SKFCR9854 SKFFYR1.11/16-18 SKFNNC4940CV SKFNU326ECML* SKFOKBS59 SKFRNA4907.2RS SKFYAR204-012-2F/AH

23038CCK/W33+H3038*球面滚子轴承近似的SKF轴承型号

SKF23038CCK/W33+AH3038G* SKF23038CCK/W33+H3038* SKF23038CC/W33* SKF23038CCK/W33* SKF23038CCK/W33+AH3038G* SKF23038CC/W33

用户关注最多的轴承狗热门型号

SKF  32960 SKF  619/8-2RS1 INA  GF110-DO FAG  H3134-HG SKF  C4126-2CS5V* 国产  30226 国产  6218/Z2 NSK  53244XU 国产  N203 FAG  SNV120-L + 1311-K-TVH-C3 + H311X114 + TSV611X114 NSK  7024C MRC  6309 SNR  6208 SKF  71916ACD/P4A IKO  MXG30

版权所有©2009-2015 轴承狗zcgou.com ICP备案:津ICP备14004550号-13