SKFYEL208-2RF/W64轴承详细参数

发布时间:2026-05-30
Y-轴承, 含Solid Oil
主要数据尺寸 基本负荷额定值 疲劳负荷限值 限制速度 体积 型号
动态 静态
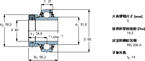
d D B (B1) C C C0 Pu
mm kN kN r/min kg -
408056,32130,7190,85300,67YEL 208-2RF/W64

SKFYEL208-2RF/W64外球面球轴承Y-轴承供应商

八零动力专业销售YEL208-2RF/W64外球面球轴承Y-轴承,库存SKFYEL208-2RF/W64大量现货,与SKF合作,咨询热线:022-58519723业务咨询
SKFYEL208-2RF/W64它的抗冲击能力,让它经久不衰 它的耐腐蚀性,让它经久不衰 它的精准度,让机械运转分毫不差 引领转动新潮流,它的表面硬化处理,延长了它的使用寿命 运转起来如此顺滑,这款轴承的制造工艺着实令人赞叹,八零动力SKF外球面球轴承Y-轴承品种全,价格优,质量有保证!

用户关注最多的SKF轴承型号

SKF316351CC SKF2x7214BEGAM* SKF32244J2 SKF53418U SKFBS2-2206-2CS/VT143* SKFCR20X35X10HMS5V SKFFYR3.11/16H-18 SKFGS89420 SKFL865547/512 SKFNNCF4880CV SKFPCM160165100E SKFPDNB305 SKFSIL8C SKFSYE1.1/2N-118 SKFWS811/600

YEL208-2RF/W64外球面球轴承Y-轴承近似的SKF轴承型号

SKFYAR208-108-2RF/HV SKFYET208-108 SKFYEL208-2RF/VL065 SKFYHC208-104-2LS8W/VT357 SKFYEL208-2RF/W64 SKFYAR208-108-2FW/VA228 SKF1726208-2RS1 SKFYAR208-2FW/VA228 SKFYAR208-108-2F/AH SKFYQC208-102CW SKFYEL208-2RF/VL065 SKFYEL209-110-2F

用户关注最多的轴承狗热门型号

FAG  BND2213-H-W-Y-BL-S INA  BKE.TSX55-D-H-SO SKF  ICOS-D1B02-TN9* SKF  24088ECAK30/W33+AOH24088* LYC  LS-NNU 6/206.375/C9 NTN  GE20ES-2RS NTN  23268BK+H3268 MRC  7309AC/DF NACHI  H-E32304J SKF  1307EKTN9 NACHI  231/750EW33K SKF  52313 TIMKEN  483/472 SKF  NJG2344VH IKO  PB22

版权所有©2009-2015 轴承狗zcgou.com ICP备案:津ICP备14004550号-13