SKFYAR208-2F轴承详细参数

发布时间:2026-04-14
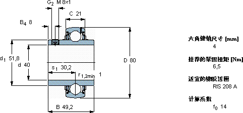
Y-轴承, 带平头螺钉锁定的, YAR 2-2F
主要数据尺寸 基本负荷额定值 疲劳负荷限值 限制速度 体积 型号
动态 静态
d D B C C C0 Pu 用于轴公差h6
mm kN kN r/min kg -
408049,22130,7190,848000,55YAR 208-2F

SKFYAR208-2F外球面球轴承Y-轴承供应商

八零动力专业销售YAR208-2F外球面球轴承Y-轴承,库存SKFYAR208-2F大量现货,与SKF合作,咨询热线:022-58519723业务咨询
SKFYAR208-2F这款轴承的性能卓越,有效提升了设备的整体性能和可靠性它的耐用性,让人惊叹不已 性能优越的轴承,极大地提高了设备的工作效率和稳定性它的精密设计,展现了人类智慧的巅峰 出色的性能表现,让这款轴承成为行业内的明星产品,轴承的选材优质,确保了其在各种环境下都能稳定工作,八零动力SKF外球面球轴承Y-轴承品种全,价格优,质量有保证!

用户关注最多的SKF轴承型号

SKF54208U SKF61910-2RZ SKF7022DB/P7 SKF7234C/DT SKF7410BCBM SKFCR12124 SKFCR13876 SKFCR40X68X8HMS5RG SKFH313C SKFHM803149/110/Q SKFNKI5/12 SKFOKF400 SKFPFD3/4WF SKFPCM140145120E SKFPFD1.1/2TF

YAR208-2F外球面球轴承Y-轴承近似的SKF轴承型号

SKFYAR213-208-2F SKFYET208/VL065 SKFRIS208A SKFYAT208-108 SKFYAR208-2F SKFYAR208-108-2F SKFYEL208-2F SKFYET208CW SKFYAR208-109-2F SKFYAR208-2RF/W64 SKFYAR208-109-2F/AH SKFYAR208-2FW/VA201

用户关注最多的轴承狗热门型号

NSK  7032ATYNP5 ZKL  NJ316 INA  PAP1615-P14 国产  48680DW/48620/48620D MRC  6202N FAG  SNV110-L + 2310-K-TVH-C3 + H2310X110 + FSV610X110 FAG  SNV125-L + 2214-M + FSV214 SKF  2208EKTN9 NTN  UCFLU320 TORRINGTON FAFNIR  6013-2Z LYC  132.40.3582.03 FLT  NJ324 SKF  NU2205E LYC  NUKR 90/S2 IKO  BR263520

版权所有©2009-2015 轴承狗zcgou.com ICP备案:津ICP备14004550号-13