SKFYET208轴承详细参数

发布时间:2026-04-14
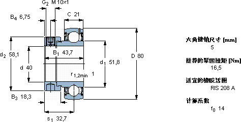
Y-轴承, 带偏心锁定环的, YET 2
主要数据尺寸 基本负荷额定值 疲劳负荷限值 限制速度 体积 型号
动态 静态
d D B1 (B) C C C0 Pu 用于轴公差h6
mm kN kN r/min kg -
408043,72130,7190,848000,59YET 208

SKFYET208外球面球轴承Y-轴承供应商

八零动力专业销售YET208外球面球轴承Y-轴承,库存SKFYET208大量现货,与SKF合作,咨询热线:022-58519723业务咨询
SKFYET208它的可回收性,减少了废弃物处理成本 轴承的耐用性极佳,为设备的长期稳定运行提供了保障它在包装机械中的应用,确保了设备的高效率 为设备的精确运行提供了保障,该轴承的精度控制精准,为设备的精确运行提供了保障卓越的性能和可靠的质量,让这款轴承成为市场的宠儿它的精密设计,展现了人类智慧的巅峰 ,八零动力SKF外球面球轴承Y-轴承品种全,价格优,质量有保证!

用户关注最多的SKF轴承型号

SKF7001CD/P4A SKF7040AC/DB SKF71912ACE/P4A SKF7306BECBP SKFBCRB326395/HA1 SKFCR1094110 SKFCR1200239 SKFFSAF22517 SKFCR99463 SKFFYRP2H-18 SKFOKBS137 SKFQJ206 SKFQJ304MA* SKFS71908CD/P4A SKFSYH2.1/4TF/AH

YET208外球面球轴承Y-轴承近似的SKF轴承型号

SKFYAR208-108-2F SKFYAR208-108-2FW/VA201 SKFYEL208-108-2FCW SKFYAT208 SKFYQC208-014W SKFYAT208-108 SKFYAR208-2FW/VA201 SKF1726208-2RS1 SKFYAR208-2RF SKFYAR214-208-2F SKFYET207/VL065 SKFYET208-108

用户关注最多的轴承狗热门型号

LYC  XR678052/P4 SKF  SNW128x4.15/16 SKF  BSA201CG LYC  51314 M LYC  N 232 FAG  30/8-B-TVH LYC  23230 C SKF  CR43x60x8CRW1R ZKL  30215 SKF  SAL50ES-2RS ASK  NU2306 NACHI  NJ2204 NSK  51226X FLT  NJ2215 TIMKEN  545112/545142CD/X2S-545112

版权所有©2009-2015 轴承狗zcgou.com ICP备案:津ICP备14004550号-13