
SKFYEL209-110-2F轴承详细参数
发布时间:2026-04-14
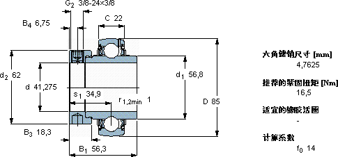
| | | | | | | | | | |
| Y-轴承, 带偏心锁定环的, YEL 2-2F |
 |
| 主要数据尺寸 | 基本负荷额定值 | 疲劳负荷限值 | 限制速度 | 体积 | 型号 |
| | 动态 | 静态 | | |
| d | D | B1 (B) | C | C | C0 | Pu | 用于轴公差h6 |
 |
| mm | kN | kN | r/min | kg | - |
 |
| 41,275 | 85 | 56,3 | 22 | 33,2 | 21,6 | 0,915 | 4300 | 0,84 | YEL 209-110-2F |
SKFYEL209-110-2F外球面球轴承Y-轴承供应商
- 八零动力专业销售YEL209-110-2F外球面球轴承Y-轴承,库存SKFYEL209-110-2F大量现货,与SKF合作,咨询热线:022-58519723

- SKFYEL209-110-2F它的抗氧化性能,延长了它的使用寿命 它的精准度,让机械运转分毫不差 轴承的耐用性极佳,为设备的长期稳定运行提供了保障出色的性能表现,让这款轴承成为行业内的明星产品,卓越的设计和可靠的性能,是这款轴承的两大亮点设计独特的轴承,不仅性能优越,还具有很高的性价比,八零动力SKF外球面球轴承Y-轴承品种全,价格优,质量有保证!
用户关注最多的SKF轴承型号
SKF23272CACK/W33
SKF234714B
SKF314625
SKF51101
SKF52216
SKF619/800MA
SKF7011ACD/P4A
SKFCR330x390x25HDS1R
SKFCR99237
SKFFNL516B
SKFFYRP1.1/2H-3
SKFHA3038
SKFQJ308
SKFSNW28x5
SKFSYH1.1/4TF/AH