SKFYAR208-2RF/VE495轴承详细参数

发布时间:2026-05-30
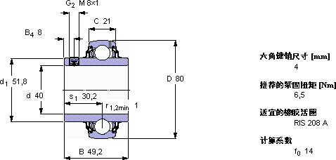
Y-轴承, 带平头螺钉锁定的, YAR 2-2RF/VE495
主要数据尺寸 基本负荷额定值 疲劳负荷限值 限制速度 体积 型号
动态 静态
d D B C C C0 Pu 用于轴公差h6
mm kN kN r/min kg -
408049,22130,7190,828000,56YAR 208-2RF/VE495

SKFYAR208-2RF/VE495外球面球轴承Y-轴承供应商

八零动力专业销售YAR208-2RF/VE495外球面球轴承Y-轴承,库存SKFYAR208-2RF/VE495大量现货,与SKF合作,咨询热线:022-58519723业务咨询
SKFYAR208-2RF/VE495它的轴向跳动控制,确保了机械的平稳运行 承载未来承载重托它在家用电器中的应用,让生活更加便捷 这轴承的精度控制令人佩服,为设备的精准运行提供了保障它的可回收性,减少了废弃物处理成本 ,八零动力SKF外球面球轴承Y-轴承品种全,价格优,质量有保证!

用户关注最多的SKF轴承型号

SKF2201 SKF230/500CACK/W33 SKF2x7221BECBM SKF33115/QDFC150 SKF61815-RS SKF7204AC/DF SKFCR21269 SKFCR2200252 SKFCR26359 SKFCR400650 SKFCR75X90X10HMS5RG SKFNA4902RS SKFS7022ACD/P4A SKFSAA80TXE-2LS SKFSYNT70FTS

YAR208-2RF/VE495外球面球轴承Y-轴承近似的SKF轴承型号

SKFYAR208-2RF/HV SKFYET208 SKFYAR208-108-2RF/HV SKFYAR208-108-2RF SKFYAR208-2F SKFYAR214-208-2F/AH SKFYQC208-014W SKFYET208CW SKFYAR213-208-2RF SKFYQC208-102CW SKFYAR208-2RF/HV SKFYAR208-2RF/W64

用户关注最多的轴承狗热门型号

NSK  2306 -  7322AC MRC  NU203 SKF  51256 TIMKEN  L305649/L305610D+L305649XC SKF  71907C LYC  344/332 TIMKEN  EE755285/755367CD/X1S-755285 SKF  32024T84X/QDBC200 TORRINGTON  29338 LYC  6311 E/C3Z1 SKF  7206B/DF NTN  UCP305 NTN  63/22 FAG  1212-K-TVH-C3 + H212

版权所有©2009-2015 轴承狗zcgou.com ICP备案:津ICP备14004550号-13