SKFSIA60TXE-2LS轴承详细参数

发布时间:2026-04-15
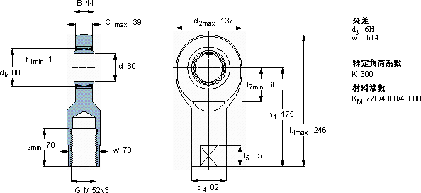
免维护杆端, 阴螺纹, 钢/PTFE织物 , 两面密封件
主要数据尺寸 角度倾的 基本负荷额定值 质量 型号
动态 静态 轴承座完全与密封件
d d2 B d3 C1 h1± C C0
6H
mm 度数 kN kg -
6013744M 52x33917566954007,10SIA 60 TXE-2LS

SKFSIA60TXE-2LS免维护的杆端关节轴承供应商

八零动力专业销售SIA60TXE-2LS免维护的杆端关节轴承,库存SKFSIA60TXE-2LS大量现货,与SKF合作,咨询热线:022-58519723业务咨询
SKFSIA60TXE-2LS它的耐高温性能,减少了冷却系统的能耗 它的滚动体与沟槽的配合,堪称完美 它在化工设备中的应用,展现了它的耐腐蚀性 制造工艺先进,使得这款轴承的性能远超普通产品它的故障率极低,确保了设备的稳定运行 坚固耐用,八零动力SKF免维护的杆端关节轴承品种全,价格优,质量有保证!

用户关注最多的SKF轴承型号

SKF16005/HR22T2 SKF30226T97.5J2/DB SKF6022NR* SKF7228AC/DT SKFBS2-2312-2CSK/VT143* SKFCR38X52X7HMSA10RG SKFCR57578 SKFFSAF22517x2.7/8 SKFK210x220x42 SKFNJ211ECJ* SKFNJ411 SKFP80R-1.3/8FM SKFPCM606560M SKFSNL3156G SKFYET207

SIA60TXE-2LS免维护的杆端关节轴承近似的SKF轴承型号

SKFSAA60TXE-2LS SKFSILA60TXE-2LS SKFSIL60TXE-2LS SKFSAL60TXE-2LS SKFSALA60TXE-2LS SKFSIA60TXE-2LS SKFSI60TXE-2LS SKFSA60TXE-2LS SKFSIA60ES-2RS SKFSIA70ES-2RS

用户关注最多的轴承狗热门型号

TIMKEN  565/562X LYC  7080 DKF  7213B/DF LYC  6206 E FAG  7201-B-TVP MRC  7244B FAG  22211-E1-K + H311 NACHI  N344 KOYO  24026CCK30/W33 LYC  23060 CK/W33 LYC  6202 E-RZ SKF  KMFE20 国产  6309 TIMKEN  AOH3034 LYC  NN 3019 K/P5

版权所有©2009-2015 轴承狗zcgou.com ICP备案:津ICP备14004550号-13