SKFCR402202轴承详细参数

发布时间:2026-05-30
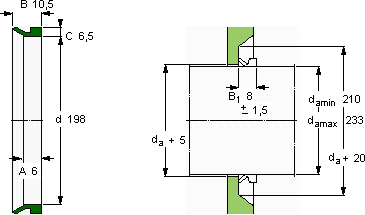
V形环密封件, VR3 设计
V形环密封件
da d A B C
最小 最大
mm mm - - - -
210233198610,56,5VR3RCR 402202402202

SKFCR402202V型圈密封供应商

八零动力专业销售CR402202V型圈密封,库存SKFCR402202大量现货,与SKF合作,咨询热线:022-58519723业务咨询
SKFCR402202它的抗疲劳性能,确保了长期使用的可靠性 它的滚动体分布均匀,运转平稳无振动 性能优越的轴承,极大地提高了设备的工作效率和稳定性精湛的制造工艺赋予了这款轴承出色的性能和可靠性高精度低摩擦这款轴承的运转十分平稳,几乎感受不到任何震动,八零动力SKFV型圈密封品种全,价格优,质量有保证!

用户关注最多的SKF轴承型号

SKF2203 SKF2x7215BEGAY SKF32926/DF SKF33115/QDFC150 SKF629-2RSL* SKF7022CD/P4A SKFBC2B320041 SKFCR30003 SKFCR39921 SKFFYTL3/4THR SKFH306C SKFNA4918 SKFNJ2212E SKFNNU4956/W33 SKFPCM081008M

CR402202V型圈密封近似的SKF轴承型号

SKFCR402202 SKFCR402200 SKFCR402204

用户关注最多的轴承狗热门型号

INA  KTHK40-B-PP-AS TIMKEN  JM738249/JM738210 FAG  BND3236-Z-Y-AF-S LYC  6006E/P6 INA  MKUSE25-ZR..-N NSK  105BER19X MRC  7006AC NSK  ZM-UCFL205D1 SKF  FSAFC2518 NSK  7913A5DB FAG  SNV180-L + 23220-E1-K-TVPB + H2320X307 + DHV520X30 NTN  332/32 国产  605-2RS INA  GE70-KTT-B SKF  3311DMA

版权所有©2009-2015 轴承狗zcgou.com ICP备案:津ICP备14004550号-13