SKFOH3148H轴承详细参数

发布时间:2026-05-30
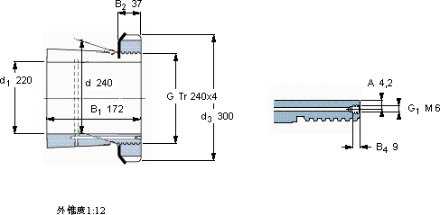
紧定套
尺寸 体积 型号
紧定轴套带螺母 锁定螺母 锁定装置 适宜的液压
d1 d d3 B1 G 和锁紧装置螺母
mm kg -
220240300172Tr 240x416,5OH 3148 HHM 48 TMB 48HMV 48 E

SKFOH3148H轴承附件供应商

八零动力专业销售OH3148H轴承附件,库存SKFOH3148H大量现货,与SKF合作,咨询热线:022-58519723业务咨询
SKFOH3148H轴承的耐用性极佳,能够承受高强度的工作负荷以精湛工艺铸就转动世界的精密之选,它的轻量化设计,减少了材料的使用 这轴承的制造工艺精湛,展现出了极高的工业水准这轴承的设计精妙,充分考虑了各种实际应用需求,八零动力SKF轴承附件品种全,价格优,质量有保证!

用户关注最多的SKF轴承型号

SKF248/800CAMA/W20 SKF2x7303BECBP SKF6001-RSH* SKF7019ACD/P4A SKF7221ACD/P4A SKFBT4B328816/HA1 SKFCR350x380x16HDS2R SKFCR490x530x20.5HS5D SKFCR80X95X10HMSA10RG SKFK120x127x24 SKFP1.1/2ATF SKFPFT40TF SKFS7026CD/P4A SKFSNL3038TURT SKFSYE1.1/2-18

OH3148H轴承附件近似的SKF轴承型号

SKFSNP3148x8.15/16 SKFOH3148HTL SKFAOH3148 SKFOH3148H SKFOH3144HTL SKFOH3148HTL

用户关注最多的轴承狗热门型号

FAG  SNV150-L + 21314-E1 + FSV214 BARDEN  7226C/DB LYC  23156 K/W33 SKF  KRE35PPA TIMKEN  SM1107KB SKF  22311EK/VA405* STEYR  7306B/DF 国产  6088 TIMKEN  9062/9194 LYC  2650 AET  NU224 LYC  6204 E/C2 YA KOYO  NJ2308 国产  7020CTA NACHI  7203

版权所有©2009-2015 轴承狗zcgou.com ICP备案:津ICP备14004550号-13