
SKFFYR2H-3轴承详细参数
发布时间:2026-05-30
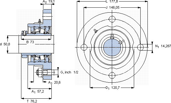
| | | | | | | | | | | |
| 带法兰的滚子轴承单元, 锁定套,用于英制的轴, locating units, radial shaft seals | |
 |
| 尺寸 | 尺寸 [英寸] | 限制速度 | 质量 | 型号 | 轴承,基本型号 |
| | 动态 | 静态 | | |
| da | A1 | J | L | T | C | C0 | |
 |
| mm | kN | r/min | kg | - | - |
 |
| 50,8 | 57,2 | 146,05 | 177,8 | 76,2 | 84,5 | 100 | 2400 | 4,76 | FYR 2 H-3 | 22210 |
SKFFYR2H-3法兰滚子轴承单元供应商
- 八零动力专业销售FYR2H-3法兰滚子轴承单元,库存SKFFYR2H-3大量现货,与SKF合作,咨询热线:022-58519723

- SKFFYR2H-3品质卓越的它,为机械设备的稳定、高效运行提供了支持制造工艺精湛,使得这款轴承在运转时更加顺畅平稳高精度的制造工艺,造就了这款高品质的轴承它的可靠性,赢得了无数工程师的信任 是机械世界的璀璨明星,开启顺畅运行新时代,,八零动力SKF法兰滚子轴承单元品种全,价格优,质量有保证!
用户关注最多的SKF轴承型号
SKF1209
SKF22320EK+H2320*
SKF23948CC/W33
SKF240/800ECA/W33*
SKF71811CD/HCP4A
SKF71901ACD/HCP4A
SKFC3072KM*
SKFCR21267
SKFHE309
SKFNKI25/20TN
SKFP1.3/8FM
SKFPCM121425E
SKFS71920ACD/P4A
SKFSAF22536
SKFWS89312