SKFSIKAC12M/VZ019轴承详细参数

发布时间:2026-05-18
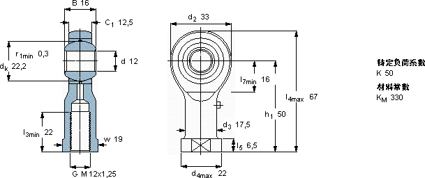
需要维护的杆端, 钢对青铜,阴螺纹
主要数据尺寸 角度倾的 基本负荷额定值 质量 型号
动态 静态 轴承座完全与
d d2 B d3 C1 h1± C C0
6H
mm 度数 kN kg -
123316M 12x1,2512,5501313,4140,12SIKAC 12 M/VZ019

SKFSIKAC12M/VZ019需维护的杆端关节轴承供应商

八零动力专业销售SIKAC12M/VZ019需维护的杆端关节轴承,库存SKFSIKAC12M/VZ019大量现货,与SKF合作,咨询热线:022-58519723业务咨询
SKFSIKAC12M/VZ019高精度低摩擦它的抗磨损涂层,让它更加耐用 打造出了性能卓越的这款轴承,该轴承的精度控制达到了极致高精度的制造工艺,让这款轴承的性能更加出色它的耐腐蚀性,让它经久不衰 它机械世界的心脏,默默支撑着无数设备的运转 ,八零动力SKF需维护的杆端关节轴承品种全,价格优,质量有保证!

用户关注最多的SKF轴承型号

SKF1305 SKF16016* SKF22308CCK/W33 SKF23232CC/W33 SKF6211-ZNR* SKF7003ACD/P4A SKF71820CD/HCP4A SKF7201AC SKFCR27565 SKFCR80X95X10HMS5RG SKFN2340 SKFS7028ACD/P4A SKFSAF22544x8 SKFSAW23520x3.3/8 SKFW6010

SIKAC12M/VZ019需维护的杆端关节轴承近似的SKF轴承型号

SKFSILKAC12M SKFSIQG12ESA SKFSIKAC12M/VZ019 SKFSIR120ES SKFSIL12E SKFSIQG125ES SKFSIKAC12M SKFSAL12E SKFSA12E SKFSAKAC12M SKFSIKAC12M SKFSIKAC14M

用户关注最多的轴承狗热门型号

MRC  7209C/DB 国产  6001-Z/Z2 ASK  NU1024 MRC  QJ212 KOYO  38FC26168-1 SKF  SYH3/4FM FAG  Z-572367.ZL-K-C5 SKF  NCF2234V FAG  2307-K-TVH-C3 + H2307 FAG  SNV130-L + 222SM65-TVPA + FSV515 SKF  5213A SKF  HA3140 IKO  LRT172120 IKO  MLC9 IKO  LWES20...Q

版权所有©2009-2015 轴承狗zcgou.com ICP备案:津ICP备14004550号-13