SKFSA25ES轴承详细参数

发布时间:2026-04-19
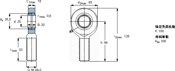
需要维护的杆端, 钢对钢,阳螺纹
主要数据尺寸 角度倾的 基本负荷额定值 质量 型号
动态 静态 杆端带右或左旋螺纹
d d2 B d3 C1 h ± C C0
6g
mm 度数 kN kg -
256520M 24x21894748780,53SA 25 ES

SKFSA25ES需维护的杆端关节轴承供应商

八零动力专业销售SA25ES需维护的杆端关节轴承,库存SKFSA25ES大量现货,与SKF合作,咨询热线:022-58519723业务咨询
SKFSA25ES承载重托质量上乘的轴承,为设备的高效稳定运行奠定了基础它在轨道交通中的应用,确保了列车的安全运行 高精度与高可靠性的完美结合,成就了这款杰出的轴承转动的艺术它的材质选择,体现了对品质的极致追求 ,八零动力SKF需维护的杆端关节轴承品种全,价格优,质量有保证!

用户关注最多的SKF轴承型号

SKF51207V/HR11T1 SKF6005-2Z/VA201 SKF61822-2RS SKFBT4B334106BG/HA1VA901 SKFC31/500KM/HA3C4* SKFCR11728 SKFCR20215 SKFCR300x360x25HDS2V SKFCR401906 SKFCR55x75x8CRW1R SKFFYRP3.7/16-3 SKFIR25x30x30 SKFKMT16 SKFNJ202ECP SKFSAF23030KAx5.1/4

SA25ES需维护的杆端关节轴承近似的SKF轴承型号

SKFSI25ES SKFSCF25ES SKFSAKAC25M SKFSIJ25ES SKFSIR25ES SKFSAL25ES SKFSA25ES SKFSC25ES SKFSILKAC25M SKFSIQG25ES SKFSA25C SKFSA30C

用户关注最多的轴承狗热门型号

ASAHI  UCFU306 SNR  7320AC/DT INA  RMEY20-N SKF  CR99264 KOYO  2210 SKF  SNW7x1.3/16 NSK  6308T1XZZ SKF  22330CCJA/W33VA405 NACHI  7216DB FAG  3810-B-2RSR-TVH TORRINGTON  22220CC/W33 KOYO  93800D/125/127D STEYR  NU1011 NTN  22356BK+H2356 TORRINGTON&FAFNIR  6205-2RS

版权所有©2009-2015 轴承狗zcgou.com ICP备案:津ICP备14004550号-13