SKFSIKAC22M轴承详细参数

发布时间:2026-05-30
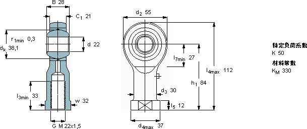
需要维护的杆端, 钢对青铜,阴螺纹
主要数据尺寸 角度倾的 基本负荷额定值 质量 型号
动态 静态 轴承座完全与
d d2 B d3 C1 h1± C C0
6H
mm 度数 kN kg -
225528M 22x1,521841538450,52SIKAC 22 M

SKFSIKAC22M需维护的杆端关节轴承供应商

八零动力专业销售SIKAC22M需维护的杆端关节轴承,库存SKFSIKAC22M大量现货,与SKF合作,咨询热线:022-58519723业务咨询
SKFSIKAC22M它的每一次转动,都是对效率的极致追求 优秀的设计理念和精湛的制造工艺,成就了这款优秀的轴承从制造工艺到实际性能,这款轴承都表现得十分出色,制造工艺精湛,使得这款轴承在运转时更加顺畅平稳它的几何精度,让机械运转分毫不差 它的耐腐蚀性,减少了维护成本 ,八零动力SKF需维护的杆端关节轴承品种全,价格优,质量有保证!

用户关注最多的SKF轴承型号

SKF32311 SKF60/670N1MBS SKFBGSB358345 SKFC4126K30V/VE240+AH24126* SKFCR160x185x13CRSA1V SKFCR24980 SKFCR32555 SKFCR35083 SKFCR400141 SKFHCRE110R SKFN1009KPHA/HC5SP SKFNNU4840K/W33 SKFS71912FB/P7 SKFSYH2.7/16WF SKFUELFU205

SIKAC22M需维护的杆端关节轴承近似的SKF轴承型号

SKFSALKAC22M SKFSILKAC22M SKFSIKAC22M SKFSAKAC22M SKFSIKAC20M SKFSIKAC25M

用户关注最多的轴承狗热门型号

SKF  29356 STEYR  6328 LYC  NU 2322 EM ZKL  NJ330 国产  RNU205M TIMKEN  48BIC225 国产  NJ309 NTN  NK20/16 SKF  NJ312ECML* FAG  SNV215-L + 2320-K-M-C3 + H2320X308 + TSV620X308 SKF  HMV58E SKF  7226C/DF TORRINGTON&FAFNIR  6304-RS LYC  81140/P2YA IKO  SB30A

版权所有©2009-2015 轴承狗zcgou.com ICP备案:津ICP备14004550号-13