SKFSALKAC22M轴承详细参数

发布时间:2026-04-14
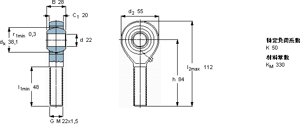
需要维护的杆端, 钢对青铜,阳螺纹
主要数据尺寸 角度倾的 基本负荷额定值 质量 型号
动态 静态 轴承座完全与
d d2 B d3 C1 h ± C C0
6g
mm 度数 kN kg -
225528M 22x1,520841538390,46SALKAC 22 M

SKFSALKAC22M需维护的杆端关节轴承供应商

八零动力专业销售SALKAC22M需维护的杆端关节轴承,库存SKFSALKAC22M大量现货,与SKF合作,咨询热线:022-58519723业务咨询
SKFSALKAC22M它的轴向跳动控制,确保了机械的平稳运行 零误差起步它的设计巧妙,在保证性能的同时,还兼顾了安装的便捷性它在船舶工业中的应用,展现了它的耐腐蚀性 为您的设备保驾护航,让机械运转无忧卓越的性能和可靠的质量,让这款轴承成为市场的宠儿,八零动力SKF需维护的杆端关节轴承品种全,价格优,质量有保证!

用户关注最多的SKF轴承型号

SKF23056CACK/W33 SKF7016AC/DB SKF7036AC/DF SKF7220CD/P4A SKFBS2B243266 SKFC3072KM* SKFC39/670KM+OH39/670H* SKFC4044K30V+AOH24044* SKFCR11138 SKFFYT1/2TF SKFGEH20ES-2LS SKFN096 SKFNNCF4832CV SKFPCM210215100M SKFW6203-2RS1

SALKAC22M需维护的杆端关节轴承近似的SKF轴承型号

SKFSIKAC22M SKFSILKAC22M SKFSALKAC22M SKFSAKAC22M SKFSALKAC20M SKFSALKAC25M

用户关注最多的轴承狗热门型号

NTN  NU319E SKF  CR14759 NSK  RLM152212 SKF  P1.3/8RM LYC  M 274149 /M 274110 CD TORRINGTON  23184CAC/W33 NACHI  5209 NSK  NF310 SKF  7201BEGAP FAG  B7238-E-T-P4S NTN  24044B FLT  NU217 INA  NKIA5911 SNFA  7202C IKO  GE20EC

版权所有©2009-2015 轴承狗zcgou.com ICP备案:津ICP备14004550号-13