SKFSIJ12E轴承详细参数

发布时间:2026-04-19
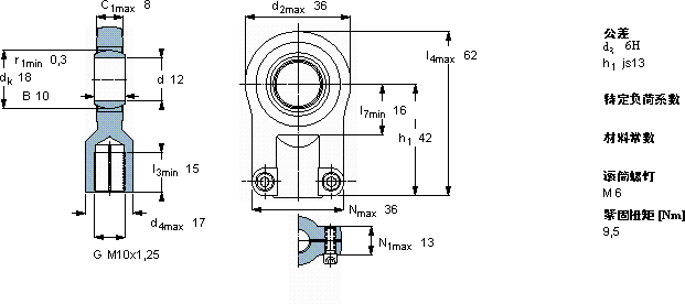
需要维护的杆端, 钢对钢,阴螺纹,用于液压滚筒
主要数据尺寸 角度倾的 基本负荷额定值 质量 型号
动态 静态 杆端带右旋螺纹
d d2 B d3 C1 h1± C C0
6H
mm 度数 kN kg -
123610M10x1,25842310,8170,15SIJ 12 E

SKFSIJ12E需维护的杆端关节轴承供应商

八零动力专业销售SIJ12E需维护的杆端关节轴承,库存SKFSIJ12E大量现货,与SKF合作,咨询热线:022-58519723业务咨询
SKFSIJ12E它的轴向游隙控制,精准到令人惊叹 它的滚动体与沟槽的配合,堪称完美 我们的轴承卓越的性能从制造工艺到实际性能,这款轴承都表现得十分出色,制造工艺先进,使得这款轴承的性能远超普通产品高品质的轴承,在各种复杂环境下都能稳定发挥作用,八零动力SKF需维护的杆端关节轴承品种全,价格优,质量有保证!

用户关注最多的SKF轴承型号

SKF1726209-2RS1 SKF2216ETN9 SKFCR1975553 SKFCR418000 SKFCR46X65X10HMS5V SKFCR80X100X12HMSA10V SKFFY1.1/4TR SKFHE3132 SKFNJ205ECP SKFNJ214ECM* SKFOKBS107 SKFPCM120125100B SKFSAFC2220 SKFSYH3/4TF/AH SKFSYR3.1/2N-118

SIJ12E需维护的杆端关节轴承近似的SKF轴承型号

SKFSIR120ES SKFSCF120ES SKFSA12E SKFSIQG125ES SKFSAKAC12M SKFSIKAC12M/VZ019 SKFSAL12E SKFSALKAC12M SKFSIJ12E SKFSIKAC12M SKFSIJ100ES SKFSIJ16ES

用户关注最多的轴承狗热门型号

NSK  CM-UCP204D1 SKF  K25x29x17 TORRINGTON  23196CAC/W33 NTN  24028BK30 LYC  161.45.2366.890.11.1503 INA  GAKL25-PW LYC  N 207 ETN1 LYC  JT404712 KOYO  1209K LYC  30320 SKF  HE3038 TIMKEN  HM911249/HM911210 GMN  7004C/DT IKO  NAS5016UUNR IKO  CR26VBUU

版权所有©2009-2015 轴承狗zcgou.com ICP备案:津ICP备14004550号-13