SKFSAL12E轴承详细参数

发布时间:2026-05-30
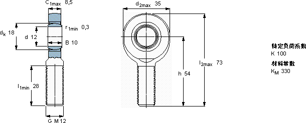
需要维护的杆端, 钢对钢,阳螺纹
主要数据尺寸 角度倾的 基本负荷额定值 质量 型号
动态 静态 杆端带右或左旋螺纹
d d2 B d3 C1 h ± C C0
6g
mm 度数 kN kg -
123510M 128,5541010,824,50,071SAL 12 E

SKFSAL12E需维护的杆端关节轴承供应商

八零动力专业销售SAL12E需维护的杆端关节轴承,库存SKFSAL12E大量现货,与SKF合作,咨询热线:022-58519723业务咨询
SKFSAL12E卓越的性能表现,使这款轴承在市场上拥有良好的口碑转动不停歇它的精密装配,确保了整体性能的卓越 质量上乘的轴承,为设备的高效稳定运行奠定了基础精湛的工艺打造出的轴承,精度和稳定性都令人称赞它的质量过硬,为机械设备的高效、安全、稳定运行 ,八零动力SKF需维护的杆端关节轴承品种全,价格优,质量有保证!

用户关注最多的SKF轴承型号

SKF30208J2/Q SKF314 SKFBC4B457960VCA SKFC4038K30V+AH24038* SKFCR400800 SKFCR58X72X8CRW1S SKFCR8870 SKFK20x30x30 SKFNNU4196M/W33 SKFNU209ECP SKFP72R-1.1/4ARM SKFPCM141612E SKFS71912ACD/P4A SKFS71918DB/P7 SKFSAF22510x1.5/8

SAL12E需维护的杆端关节轴承近似的SKF轴承型号

SKFSAKAC12M SKFSILKAC12M SKFSIL12E SKFSIR120ES SKFSIJ12E SKFSA12E SKFSIKAC12M/VZ019 SKFSCF120ES SKFSAL12E SKFSALKAC12M SKFSAL12C SKFSAL15C

用户关注最多的轴承狗热门型号

SKF  7238AC/DB FAG  SNV290-L + 22232-E1-K + H3132X507 + TCV532X507 SKF  HK2220.2RS 国产  NF220ETN1 SNF  62/22-Z TIMKEN  L21549/L21511 NTN  NUP2340 SKF  SNW34x6 KOYO  74FC54400A NACHI  24184EW33K30 INA  ZL5206-DRS TIMKEN  14138A/14276 LYC  9069352 IKO  TA1815Z IKO  CFE24-1VUU

版权所有©2009-2015 轴承狗zcgou.com ICP备案:津ICP备14004550号-13