SKFSIJ16ES轴承详细参数

发布时间:2026-04-14
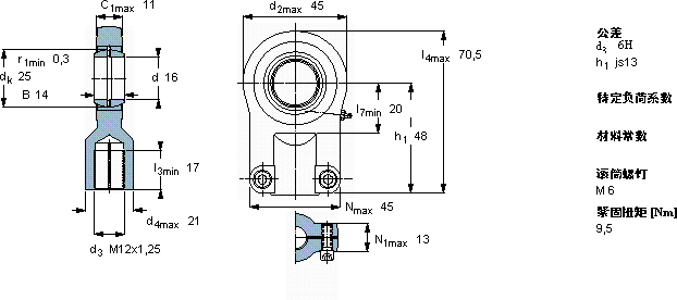
需要维护的杆端, 钢对钢,阴螺纹,用于液压滚筒
主要数据尺寸 角度倾的 基本负荷额定值 质量 型号
动态 静态 杆端带右旋螺纹
d d2 B d3 C1 h1± C C0
6H
mm 度数 kN kg -
164514M12x1,251148321,228,50,25SIJ 16 ES

SKFSIJ16ES需维护的杆端关节轴承供应商

八零动力专业销售SIJ16ES需维护的杆端关节轴承,库存SKFSIJ16ES大量现货,与SKF合作,咨询热线:022-58519723业务咨询
SKFSIJ16ES它的可回收性,体现了环保理念 性能卓越的它,为机械设备的稳定运行提供了可靠保障高精度的制造工艺,让这款轴承的性能更加出色质量无可挑剔的轴承,为设备的高效运作提供了有力支持设计合理、性能优良的它,是机械设备稳定运行的重要保障它的抗压强度,让它承载能力惊人 ,八零动力SKF需维护的杆端关节轴承品种全,价格优,质量有保证!

用户关注最多的SKF轴承型号

SKF31317J2 SKF3209ATN9/W64* SKF52232M SKF608/560MA SKFCR15462 SKFCR17771 SKFCR406103 SKFCR524214 SKFFSYE3.1/2H SKFFYTB15TF SKFN211ECM* SKFNNCL4972CV SKFQJ328N2MA* SKFSNP30/500x18.1/2 SKFWS81102

SIJ16ES需维护的杆端关节轴承近似的SKF轴承型号

SKFSIQG16ES SKFSILKAC16M SKFSIQG160ES SKFSIKAC16M/VZ019 SKFSALKAC16M SKFSIJ16ES SKFSIKAC16M SKFSAKAC16M SKFSIJ12E SKFSIJ20ES

用户关注最多的轴承狗热门型号

NTN  51224 STEYR  54418U NTN  6019 TIMKEN  5210WD FAG  SNV085-L + 22209-E1-K + H309 + DHV509 INA  KTHK12-B-PP-AS SKF  32248J2/HA1 NTN  NJ2232E+HJ2232E ZKL  32209 SKF  BT4-8123E/C775* INA  LFS32-E INA  NUKR90 SKF  23022CC/W33 INA  GYE20-KRR-B-VA 国产  62209-2RS

版权所有©2009-2015 轴承狗zcgou.com ICP备案:津ICP备14004550号-13