SKFSI12E轴承详细参数

发布时间:2026-04-19
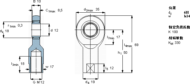
需要维护的杆端, 钢对钢,阴螺纹
主要数据尺寸 角度倾的 基本负荷额定值 质量 型号
动态 静态 杆端带右或左旋螺纹
d d2 B d3 C1 h1± C C0
6H
mm 度数 kN kg -
123510M 128,5501010,825,50,11SI 12 E

SKFSI12E需维护的杆端关节轴承供应商

八零动力专业销售SI12E需维护的杆端关节轴承,库存SKFSI12E大量现货,与SKF合作,咨询热线:022-58519723业务咨询
SKFSI12E它的品质卓越,为机械设备的高效运行提供了坚实后盾稳定旋转的核心力量减少摩擦降低能耗坚固耐用是机械世界的璀璨明星,是您机械世界里的不败功臣,,八零动力SKF需维护的杆端关节轴承品种全,价格优,质量有保证!

用户关注最多的SKF轴承型号

SKF23068CCK/W33+AOH3068G* SKF23156CC/W33 SKF239/530CAK/W33+OH39/530H* SKF6205-2Z/VA201 SKFBT2B334112/HA3 SKFCR17671 SKFCR300x345x22HS7R SKFCR35x64x8CRW1R SKFCR50148 SKFFYT2.3/16TF/VA228 SKFH2326L SKFNJ2317E SKFNJ410 SKFNNU4976K/W33 SKFPCM081012E

SI12E需维护的杆端关节轴承近似的SKF轴承型号

SKFSCF120ES SKFSIR120ES SKFSIKAC12M SKFSALKAC12M SKFSILKAC12M SKFSIQG125ES SKFSA12E SKFSIKAC12M/VZ019 SKFSI12E SKFSIJ12E SKFSI12C SKFSI15C

用户关注最多的轴承狗热门型号

FAG  22340-K-MB MAC  N411 GMN  7017C/DT TIMKEN  661/654DC SNR  7016AC/DB SKF  NUP232ECM RHP  6009-RS INA  WS81134 SKF  BT4-0014G/HA1C400VA903 FAG  BND3134-H-W-Y-AF-S SKF  AHX2311 NSK  7340BDT RHP  7220B INA  STO20 IKO  IRT2038-1

版权所有©2009-2015 轴承狗zcgou.com ICP备案:津ICP备14004550号-13