SKFSALKB8F轴承详细参数

发布时间:2026-04-19
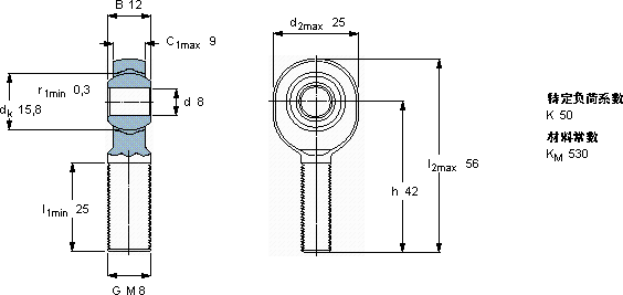
免维护杆端, 阳螺纹, 钢/PTFE复合材料
主要数据尺寸 角度倾的 基本负荷额定值 质量 型号
动态 静态 轴承座完全与密封件
d d2 B d3 C1 h ± C C0
6g
mm 度数 kN kg -
82512M 8942147,1100,035SALKB 8 F

SKFSALKB8F免维护的杆端关节轴承供应商

八零动力专业销售SALKB8F免维护的杆端关节轴承,库存SKFSALKB8F大量现货,与SKF合作,咨询热线:022-58519723业务咨询
SKFSALKB8F它的润滑技术,让摩擦降至最低 它的质量可靠,是众多机械设备制造商的首选配件它的密封性能,完美抵御灰尘和杂质的侵袭 品质卓越的它,为机械设备的稳定、高效运行提供了支持为您的机械注入强大动力,质量无可挑剔的轴承,在行业内树立了良好的口碑和形象,八零动力SKF免维护的杆端关节轴承品种全,价格优,质量有保证!

用户关注最多的SKF轴承型号

SKF1204EKTN9 SKF51122 SKF6205/VA201 SKF71913CD/P4A SKF71919C/DB SKF7206BEP SKF98204Y SKFC3156K* SKFCR115X140X12HMS5V SKFCR150X180X15HMS5RG SKFCR300x332x16HDS2R SKFNK30/20TN SKFNNU4944B/SPW33 SKFSNW3024x4.1/8 SKFYAR215-211-2F/AH

SALKB8F免维护的杆端关节轴承近似的SKF轴承型号

SKFSAL10C SKFSA35TXE-2LS SKFSI10C SKFSIKB12F SKFSIKB16F SKFSALKB20F SKFSI8C SKFSA6C SKFSA12C SKFSA17C SKFSALKB6F SKFSAWS23222

用户关注最多的轴承狗热门型号

KOYO  47T483631A NSK  23124CKE4 FYH  UC308 FAG  SNV062-L + 2206-K-TVH-C3 + H306X100 + DHV506 KOYO  M281649D/610/610D TORRINGTON  23224CC/W33 LYC  32972 X2 NTN  7308AC/DB KINGON  686 SKF  CR60x82x8CRWA1R FAG  B7218-C-T-P4S FAG  3006-B-2Z-TVH NTN  6904NR INA  KTBO20-PP-AS 国产  52216

版权所有©2009-2015 轴承狗zcgou.com ICP备案:津ICP备14004550号-13