SKFSALKAC18M轴承详细参数

发布时间:2026-04-25
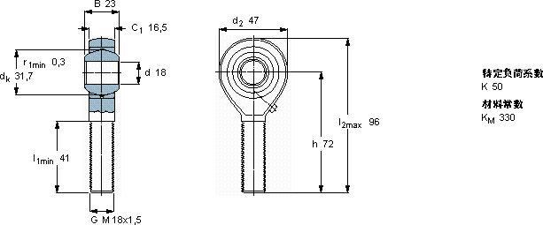
需要维护的杆端, 钢对青铜,阳螺纹
主要数据尺寸 角度倾的 基本负荷额定值 质量 型号
动态 静态 轴承座完全与
d d2 B d3 C1 h ± C C0
6g
mm 度数 kN kg -
184723M 18x1,516,5721526290,29SALKAC 18 M

SKFSALKAC18M需维护的杆端关节轴承供应商

八零动力专业销售SALKAC18M需维护的杆端关节轴承,库存SKFSALKAC18M大量现货,与SKF合作,咨询热线:022-58519723业务咨询
SKFSALKAC18M卓越的设计和可靠的性能,是这款轴承的两大亮点它的耐用性,让人惊叹不已 优秀的轴承,就像精密仪器的心脏,确保着整个系统的高效运转它的低摩擦设计,减少了能量损耗 它的故障率极低,确保了设备的稳定运行 以卓越品质,八零动力SKF需维护的杆端关节轴承品种全,价格优,质量有保证!

用户关注最多的SKF轴承型号

SKF23160-2CS5/VT143* SKF464789 SKF5207E SKF53308 SKF7204B/DT SKFBT2B334068/HA1VA901 SKFC6909V* SKFCR40X80X12HMS5RG SKFLL687949/910 SKFNJ2305ECP* SKFPCM19019560M SKFSDAF23276 SKFSY1.11/16RM SKFTVN205WA SKFUELP211

SALKAC18M需维护的杆端关节轴承近似的SKF轴承型号

SKFSIKAC18M SKFSALKAC18M SKFSAKAC18M SKFSILKAC18M SKFSALKAC16M SKFSALKAC20M

用户关注最多的轴承狗热门型号

INA  RA104-206-NPP-B NACHI  5220NR NACHI  NU256 LYC  100752305 NSK  239/950E4 TIMKEN  30222/30222 SKF  AOH24072 SKF  32038T146X/DBC220 TIMKEN  EE161363/161901CD/X1S-161362 LYC  23222 C/W33-SF MRC  7316C/DT NSK  24176CAK30E4 GMN  7203AC/DF LYC  24168 CAK30/C3W33 IKO  BA208Z

版权所有©2009-2015 轴承狗zcgou.com ICP备案:津ICP备14004550号-13