SKFSALKAC14M轴承详细参数

发布时间:2026-05-30
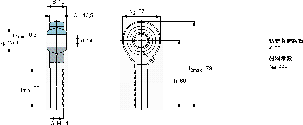
需要维护的杆端, 钢对青铜,阳螺纹
主要数据尺寸 角度倾的 基本负荷额定值 质量 型号
动态 静态 轴承座完全与
d d2 B d3 C1 h ± C C0
6g
mm 度数 kN kg -
143719M 1413,560151717,30,14SALKAC 14 M

SKFSALKAC14M需维护的杆端关节轴承供应商

八零动力专业销售SALKAC14M需维护的杆端关节轴承,库存SKFSALKAC14M大量现货,与SKF合作,咨询热线:022-58519723业务咨询
SKFSALKAC14M它的轻量化设计,减少了运输成本 高精度的制造工艺,造就了这款高品质的轴承品质卓越的它,在各种工况下都能展现出优异的性能轴承的耐用性超乎想象,有效降低了设备的维护成本设计合理、性能优良的它,是机械设备稳定运行的重要保障精密与耐用的完美结合,,八零动力SKF需维护的杆端关节轴承品种全,价格优,质量有保证!

用户关注最多的SKF轴承型号

SKF1220K SKF23134CCK/33+H3134 SKF351468A SKF6009-2RS SKF6052 SKFCR24X42X8HMS5V SKFCR3807 SKFCR400850 SKFCR45140 SKFCR70x88x8CRW1R SKFFYT15/16WF SKFHM31/600 SKFNKI60/25 SKFQJ1084N2MA SKFW618/1

SALKAC14M需维护的杆端关节轴承近似的SKF轴承型号

SKFSAKAC14M SKFSIKAC14M SKFSILKAC14M SKFSALKAC14M SKFSALKAC12M SKFSALKAC16M

用户关注最多的轴承狗热门型号

LYC  NUP 316 KOYO  6224-2Z TORRINGTON  23076CACK/W33+H3076 国产  N4918A/C9/P5 SKF  CR21763 NACHI  160KBV039 SKF  FYJ2.TF -  7308AC TIMKEN  644/633 TIMKEN  M804049/M804010 NTN  7008AC/DT FAG  SNV150-L + 22217-E1-K + H317X215 + TSV517 RHP  6019-RS FAG  22334-K-MB + H2334 IKO  RNA69-22U

版权所有©2009-2015 轴承狗zcgou.com ICP备案:津ICP备14004550号-13