
SKFRMS6轴承详细参数
发布时间:2026-05-29
| | | | | | | | | | | |
| 深沟球轴承, 单列, 无密封件,带英制尺寸 |
 |
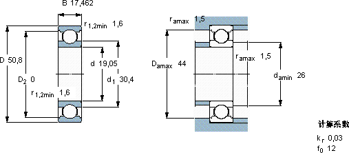
| 主要数据尺寸 | 基本负荷额定值 | 疲劳负荷限值 | 额定速度 | 体积 | 型号 |
| | 动态 | 静态 | | 参照速度 | 限制速度 |
| d | D | B | C | C0 | Pu | |
 |
| mm | kN | kN | r/min | kg | - | |
 |
| 19,05 | 50,8 | 17,462 | 15,9 | 7,8 | 0,335 | 28000 | 19000 | 0,14 | RMS 6 | 仅对售后市场 |
SKFRMS6深沟球轴承供应商
- 八零动力专业销售RMS6深沟球轴承,库存SKFRMS6大量现货,与SKF合作,咨询热线:022-58519723

- SKFRMS6它的抗磨损涂层,让它更加耐用 它的加工设备,代表了世界领先水平 精湛的工艺打造出的轴承,精度和稳定性都令人称赞它的轴向跳动控制,确保了机械的平稳运行 它在医疗设备中的应用,确保了设备的稳定性 品质卓越,八零动力SKF深沟球轴承品种全,价格优,质量有保证!
用户关注最多的SKF轴承型号
SKF240/630ECK30J/W33+AOH240/630G*
SKF2x7313BECBP*
SKF6220-2Z/VA208
SKF6300-2ZN
SKF6312*
SKF71906C/DT
SKF81136M
SKFBK1210
SKFC7006DB/P7
SKFCR18X35X7HMSA10RG
SKFCR40X65X10HMSA10V
SKFFY15FM
SKFNK40/20TN
SKFNNCF4940CV
SKFSILKB8F