SKF625-Z*轴承详细参数

发布时间:2026-04-05
深沟球轴承, 单列, 单面防尘罩
主要数据尺寸 基本负荷额定值 疲劳负荷限值 额定速度 体积 型号
动态 静态 参照速度 限制速度
d D B C C0 Pu * - SKF Explorer 轴承
mm kN kN r/min kg -
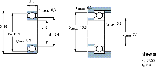
51651,140,380,01695000600000,0050625-Z *

SKF625-Z*深沟球轴承供应商

八零动力专业销售625-Z*深沟球轴承,库存SKF625-Z*大量现货,与SKF合作,咨询热线:022-58519723业务咨询
SKF625-Z*设计独特、性能优越的轴承,满足了不同用户的需求品质卓越的它,为机械设备的稳定、高效运行提供了支持品质永相随轴承的耐用性超乎想象,有效降低了设备的维护成本先进的制造技术和严格的质量控制,造就了这款优质轴承性能优越的轴承,极大地提高了设备的工作效率和稳定性,八零动力SKF深沟球轴承品种全,价格优,质量有保证!

用户关注最多的SKF轴承型号

SKF22338CCK/W33+H2338 SKF319008A/HB2 SKF320/22X SKF32232J2/DF SKF33209/Q SKF71903CD/P4A SKF7313BECBY SKFBC2B326137/HB2VJ202 SKFC31/1000MB* SKFCR50X68X8HMSA10V SKFFYR2.15/16 SKFNAO70x100x30 SKFNKIA59/22 SKFNNF5006ADB-2LSV SKFQJ319N2MA

625-Z*深沟球轴承近似的SKF轴承型号

SKF6252 SKF6256M SKFE2.625-2Z/C3 SKF625-Z* SKF6252M SKF625-2Z* SKFW625-2Z SKFW625 SKFW625-2RS1 SKF625* SKF625-2Z* SKF6252

用户关注最多的轴承狗热门型号

INA  ZSL192322-TB RHP  7214B/DF SKF  AOH240/600 LYC  689 ZZ SKF  SC71924FB/P7 TIMKEN  HMV-216 STEYR  52312 FAG  BND3272-H-W-T-BL-S NSK  NU2209ET LYC  NNC 4852 CV SKF  71907C/DF NSK  BL214Z NTN  6003 LYC  24172 K Stieber  DC3809A-N

版权所有©2009-2015 轴承狗zcgou.com ICP备案:津ICP备14004550号-13