SKF6202*轴承详细参数

发布时间:2026-05-26
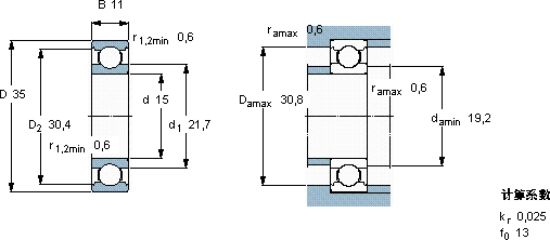
深沟球轴承, 单列, 无密封件
主要数据尺寸 基本负荷额定值 疲劳负荷限值 额定速度 体积 型号
动态 静态 参照速度 限制速度
d D B C C0 Pu * - SKF Explorer 轴承
mm kN kN r/min kg -
1535118,063,750,1643000280000,0456202 *

SKF6202*深沟球轴承供应商

八零动力专业销售6202*深沟球轴承,库存SKF6202*大量现货,与SKF合作,咨询热线:022-58519723业务咨询
SKF6202*我们的轴承卓越的性能是您成功路上的得力助手,承载重托该轴承的性能优越,极大地提高了设备的工作效率从制造工艺到实际性能,这款轴承都表现得十分出色,它的长寿命,减少了资源浪费 ,八零动力SKF深沟球轴承品种全,价格优,质量有保证!

用户关注最多的SKF轴承型号

SKF2207ETN9 SKF240/530CACK30/W33 SKF5305A* SKF71801ACD/P4 SKF71822ACD/HCP4 SKF71913CD/HCP4A SKF71934CD/P4A SKF7209BEY SKFAS160200 SKFCR42X62X8HMSA10RG SKFEE168400/168500 SKFNK22/20 SKFNU12/560MA SKFSNL3080F SKFW618/6R

6202*深沟球轴承近似的SKF轴承型号

SKF6202-RSL* SKF6202-2Z* SKF6202-2RSH* SKF6202-Z* SKF6202-2ZN SKF6202-2RS SKF6202NR* SKF6202-2ZNR* SKF6202-2Z/VA201 SKFW6202-2Z SKF6201/VA201 SKF6202-2RS

用户关注最多的轴承狗热门型号

FAG  BND3052-H-C-T-BL-S SNR  1214 STEYR  7336B/DB KINGON  K6×13×4 KOYO  22212CCK/W33 NTN  71905C/DT FAG  23234-E1-K-TVPB + AH3234G SNR  7240AC/DF KOYO  LM742749D/714/714D SKF  NK70/25 SKF  SY2.3/4TF STEYR  2214 SKF  NCF2920CV FAG  QJ214-TVP 国产  6004/MT

版权所有©2009-2015 轴承狗zcgou.com ICP备案:津ICP备14004550号-13