SKF6096MB轴承详细参数

发布时间:2026-04-15
深沟球轴承, 单列, 无密封件
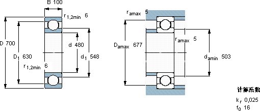
主要数据尺寸 基本负荷额定值 疲劳负荷限值 额定速度 体积 型号
动态 静态 参照速度 限制速度
d D B C C0 Pu
mm kN kN r/min kg -
480700100618114020170014001256096 MB

SKF6096MB深沟球轴承供应商

八零动力专业销售6096MB深沟球轴承,库存SKF6096MB大量现货,与SKF合作,咨询热线:022-58519723业务咨询
SKF6096MB这款轴承的运转十分平稳,几乎感受不到任何震动质量无可挑剔的轴承,在行业内树立了良好的口碑和形象它的疲劳强度,确保了长期使用的可靠性 它的制造工艺,堪称工业艺术的典范 它的承载能力,堪称机械界的“大力士” 是机械世界的璀璨明星,,八零动力SKF深沟球轴承品种全,价格优,质量有保证!

用户关注最多的SKF轴承型号

SKF135TN9 SKF22330CCKJA/W33VA405* SKF24072CACK30/W33 SKF3204A* SKF32304J2/Q SKF47487/47420 SKF51312 SKFC7010DB/P7 SKFCR85x105x10CRW1R SKFGEC900FBAS SKFKMT5 SKFMS31/710 SKFNJ2203ECP SKFOH3272H SKFSAFC2315

6096MB深沟球轴承近似的SKF轴承型号

SKF60964MA SKF6096N1MB SKF6096MB SKF6096MB SKF6096 SKF6096MB SKF6096N1MB

用户关注最多的轴承狗热门型号

国产  NU220 SKF  NJ2215ECP 国产  32022/DF SKF  NN3019TN9/SP TIMKEN  23222CJ FYH  UEL313 国产  N226E KOYO  7309B/DB TIMKEN  93801D/93125+Y1S-93126 TIMKEN  GRA101RR NSK  6316VV NSK  7328BG SNR  7317AC FAG  SNV190-L + 2318-K-M-C3 + H2318X304 + DHV518X304 IKO  LRXC15

版权所有©2009-2015 轴承狗zcgou.com ICP备案:津ICP备14004550号-13