SKF7307BECBY轴承详细参数

发布时间:2026-05-29
角接触球轴承, 单列
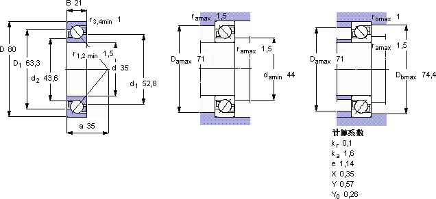
主要数据尺寸 尺寸 [英寸] 疲劳负荷限值 额定速度 体积 型号
动态 静态 参照速度 限制速度
d D B C C0 Pu
mm kN kN r/min kg -
3580213924,51,0410000100000,497307 BECBY

SKF7307BECBY角接触球轴承供应商

八零动力专业销售7307BECBY角接触球轴承,库存SKF7307BECBY大量现货,与SKF合作,咨询热线:022-58519723业务咨询
SKF7307BECBY这轴承的稳定性极佳,在高速运转时也能保持良好状态减少摩擦降低能耗让您的机械如虎添翼,稳定旋转的核心力量优秀的轴承,就像精密仪器的心脏,确保着整个系统的高效运转它的疲劳强度,确保了长期使用的可靠性 ,八零动力SKF角接触球轴承品种全,价格优,质量有保证!

用户关注最多的SKF轴承型号

SKF23052CCK/W33* SKF23088CAK/W33* SKF23292CAK/W33+AOHX3292G* SKF3208A-RS SKFBS2-2216-2CS/VT143* SKFCR14X25X5HMSA10V SKFCR16X40X7CRW1R SKFCR17381 SKFCR35X48X8HMSA10RG SKFHE316 SKFNCF2932CV SKFNU1080MA SKFOKC420 SKFPCM9510060B SKFWS811/560

7307BECBY角接触球轴承近似的SKF轴承型号

SKF7307BECBP SKF7307B/DT SKF7307BECBY SKF2x7307BECBP* SKF7307B/DF SKF7307BEGAP* SKF2x7307BECBM* SKF2x7307BEGAP* SKF7307B SKF7307BECBM SKF7307BECBP* SKF7307BEGAP*

用户关注最多的轴承狗热门型号

RHP  7212B/DT MRC  7305B/DT MRC  6217 INA  S4025 TIMKEN  67388/67322DC LYC  3652K TIMKEN  NCF2976V FAG  BND3148-Z-T-AF-S MRC  6001-Z MAC  NU230 INA  MGFI25056-250-ZR STEYR  6326 LYC  RNA 6903 X2A IKO  GE60GS IKO  LWES15.../U

版权所有©2009-2015 轴承狗zcgou.com ICP备案:津ICP备14004550号-13