SKFQJ303N2MA轴承详细参数

发布时间:2026-04-14
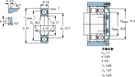
角接触球轴承, 四点接触球轴承
主要数据尺寸 基本负荷额定值 疲劳负荷限值 额定速度 体积 型号
动态 静态 参照速度 限制速度
d D B C C0 Pu
mm kN kN r/min kg -
17471423,4150,6417000280000,14QJ 303 N2MA

SKFQJ303N2MA角接触球轴承供应商

八零动力专业销售QJ303N2MA角接触球轴承,库存SKFQJ303N2MA大量现货,与SKF合作,咨询热线:022-58519723业务咨询
SKFQJ303N2MA轴承的稳定性和可靠性表现出色,赢得了用户的高度认可它在食品机械中的应用,展现了它的卫生性能 没有轴承,现代机械将寸步难行,卓越的性能和可靠的质量,让这款轴承成为市场的宠儿坚固的结构稳定的性能它的尺寸精度,达到了微米级的极致 ,八零动力SKF角接触球轴承品种全,价格优,质量有保证!

用户关注最多的SKF轴承型号

SKF1319K SKF30208J2/Q SKF3306A-2RS1TN9/MT33* SKF7009C SKFCR25X42X7HMS5RG SKFCR400x440x20HDS2V SKFCR524370 SKFCR84963 SKFCR8631 SKFIR20x25x38.5 SKFNJ209E SKFNN3014TN/SP SKFP72R-1.1/16WF SKFPCM8590100E SKFSIL50TXE-2LS

QJ303N2MA角接触球轴承近似的SKF轴承型号

SKFQJ303 SKFQJ303N2MA SKF3303A-2ZTN9/MT33 SKF2x7303BECBP SKF3303A SKF3303A-2RS1 SKFQJ303N2MA SKF3303ATN9 SKF2x7303BEGAP SKF7303BECBP SKFQJ303N2MA SKFQJ304

用户关注最多的轴承狗热门型号

TIMKEN  29875/29820D SKF  NJ219E+HJ219E NACHI  6807-2NKE FAG  22224-E1-K + AHX3124 SKF  CR18000 NTN  NJ311E+HJ311E MAC  NJ248 国产  NJ215M KOYO  54420 LYC  6209 E SKF  NKIB5914 SKF  CR35X49X6HMS5RG FAG  22356-K-MB + AH2356G FAG  SNV072-L + 2306-K-TVH-C3 + H2306X100 + TCV606 SKF  71907ACE/P4A

版权所有©2009-2015 轴承狗zcgou.com ICP备案:津ICP备14004550号-13