SKF7303BECBP轴承详细参数

发布时间:2026-05-29
角接触球轴承, 单列
主要数据尺寸 尺寸 [英寸] 疲劳负荷限值 额定速度 体积 型号
动态 静态 参照速度 限制速度
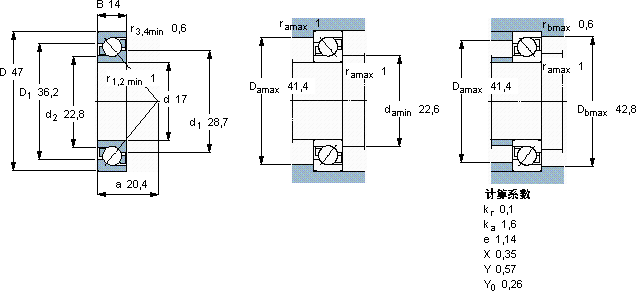
d D B C C0 Pu
mm kN kN r/min kg -
17471415,98,30,35519000190000,117303 BECBP

SKF7303BECBP角接触球轴承供应商

八零动力专业销售7303BECBP角接触球轴承,库存SKF7303BECBP大量现货,与SKF合作,咨询热线:022-58519723业务咨询
SKF7303BECBP它的滚动体分布均匀,运转平稳无振动 它在船舶工业中的应用,展现了它的耐腐蚀性 引领转动新潮流,让您的设备高效运行,它的高可靠性,减少了设备停机时间 坚固耐用,八零动力SKF角接触球轴承品种全,价格优,质量有保证!

用户关注最多的SKF轴承型号

SKF22206E* SKF22338CCJA/W33VA406 SKF53212U SKF61888MA SKFBTW130CTN9/SP SKFC3168M* SKFCR12631 SKFCR240X270X15HMSA10V SKFCR85X100X9CRS1R SKFCR99836 SKFNJ226ECML* SKFNNCF4944CV SKFS7009FB/P7 SKFSNW8x1.1/4 SKFYEL204-012-2F

7303BECBP角接触球轴承近似的SKF轴承型号

SKF7303BEP SKF7303BECBP SKF7303BECBP SKF7303BEP SKF2x7303BEGAP SKF7303BEGAP SKF7303B/DT SKF7303B SKF2x7303BECBP SKF7303B/DF SKF7303BEP SKF7303BEGAP

用户关注最多的轴承狗热门型号

INA  GS89313 NTN  7005C/DB SKF  CR220x250x15HS8R SKF  PDRJ319 LYC  22248 C/W33YB NACHI  5202NR SKF  23168CACK/W33+H3168 BARDEN  7215C LYC  EE 911600 / 912401 D/XIS-911600 LYC  B 7205 C/P4 国产  1309 INA  NKS55 TIMKEN  99550 /99100-B INA  TSUWZ24 IKO  YT2015

版权所有©2009-2015 轴承狗zcgou.com ICP备案:津ICP备14004550号-13