SKF7303BEGAP轴承详细参数

发布时间:2026-04-15
角接触球轴承, 单列
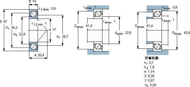
主要数据尺寸 尺寸 [英寸] 疲劳负荷限值 额定速度 体积 型号
动态 静态 参照速度 限制速度
d D B C C0 Pu
mm kN kN r/min kg -
17471415,98,30,35519000190000,117303 BEGAP

SKF7303BEGAP角接触球轴承供应商

八零动力专业销售7303BEGAP角接触球轴承,库存SKF7303BEGAP大量现货,与SKF合作,咨询热线:022-58519723业务咨询
SKF7303BEGAP轴承的性能可靠,为机械设备的稳定运行立下汗马功劳始终顺滑如初,它的抗氧化性能,延长了它的使用寿命 转动不停歇它的低摩擦设计,减少了能量损耗 为您的工程保驾护航,,八零动力SKF角接触球轴承品种全,价格优,质量有保证!

用户关注最多的SKF轴承型号

SKF53201U SKF61936MA SKF7022AC SKF71830ACD/HCP4 SKF81213 SKFBK2816 SKFBT4B331626BG/HA1 SKFCR115021 SKFCR180X210X15HMSA10RG SKFCR80x100x10CRW1V SKFCR81352 SKFCR99850 SKFHMV16E SKFNU221ECP SKFNU311ECP

7303BEGAP角接触球轴承近似的SKF轴承型号

SKF2x7303BECBP SKF7303BECBP SKF2x7303BEGAP SKF7303BEP SKF7303B/DB SKF7303B/DF SKF7303B SKF7303BECBP SKF7303BEP SKF7303BEGAP SKF7303BECBP SKF7303BEP

用户关注最多的轴承狗热门型号

TIMKEN  G1010KLLB FAG  AH240/1180-H KOYO  64FC45240 INA  PAP5040-P14 SKF  SYE3.1/2NH-118 NACHI  NNU4952 INA  HF1012-KF FAG  SNV190-L + 1318-K-M-C3 + H318X304 + DHV518X304 SKF  307NR SKF  C4015K30V* SNR  1321K BARDEN  7004AC/DT ZKL  NJ418 KOYO  21320RHK+H320X INA  WS81213

版权所有©2009-2015 轴承狗zcgou.com ICP备案:津ICP备14004550号-13