SKF7303BEP轴承详细参数

发布时间:2026-04-15
角接触球轴承, 单列
主要数据尺寸 尺寸 [英寸] 疲劳负荷限值 额定速度 体积 型号
动态 静态 参照速度 限制速度
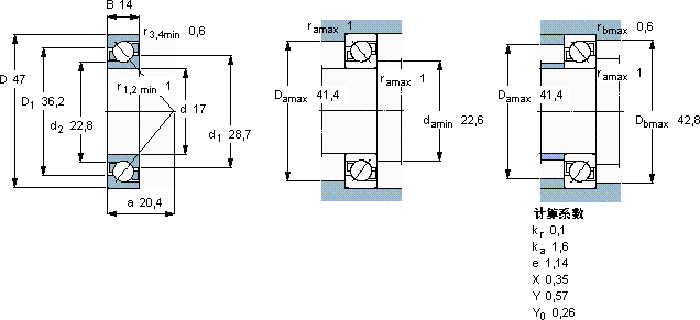
d D B C C0 Pu
mm kN kN r/min kg -
17471415,98,30,35519000190000,117303 BEP

SKF7303BEP角接触球轴承供应商

八零动力专业销售7303BEP角接触球轴承,库存SKF7303BEP大量现货,与SKF合作,咨询热线:022-58519723业务咨询
SKF7303BEP设计独特的轴承,不仅性能优越,还具有很高的性价比精湛的工艺打造出的轴承,精度和稳定性都令人称赞设计合理、性能优良的它,是机械设备稳定运行的重要保障引领转动新潮流,始终顺滑如初,其设计和制造工艺都达到了国际先进水平,是一款优质轴承,八零动力SKF角接触球轴承品种全,价格优,质量有保证!

用户关注最多的SKF轴承型号

SKF32008XR/QVA621 SKF6009-2Z* SKF7010FB/P7 SKF7336B/DT SKFCR32514 SKFCR70X92X12HMSA10RG SKFFY1.1/16FM SKFFYT1.TF/AH SKFNJ308E SKFNU217ECP SKFNUP217E SKFPCM455050E SKFPCMF161812E SKFS71924CD/P4A SKFSC7009DB/P7

7303BEP角接触球轴承近似的SKF轴承型号

SKF7303B/DF SKF2x7303BEGAP SKF2x7303BECBP SKF7303B/DB SKF7303BEP SKF7303BEGAP SKF7303BECBP SKF7303B/DT SKF7303BECBP SKF7303B SKF7303BEGAP SKF7304B

用户关注最多的轴承狗热门型号

MRC  6004-RS TORRINGTON&FAFNIR  6208-2RS LYC  6202 E-2Z/P6 NACHI  6808ZENR FAG  BND3122-H-W-T-BL-S 国产  61902-RS NACHI  H-25590/H-25520 KOYO  23192RHAK+AHX3192 NSK  NJ408W SKF  61919-2RS1 LYC  200752307 SKF  3213A-2Z 国产  NUP2214EM TIMKEN  55187/55444D NTN  UCK207

版权所有©2009-2015 轴承狗zcgou.com ICP备案:津ICP备14004550号-13