
SKFCR99060轴承详细参数
发布时间:2026-05-30
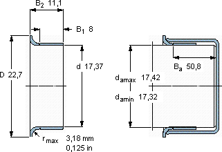
| | | | | | | | | | |
| 耐磨套管, SKF SPEEDI-SLEEVE | | |
 |
| 轴 | SKF SPEEDI-SLEEVE | | |
| | 尺寸 | 型号 | US stock | 说明 |
| da | d | D | B1 | B2 | Ba | number | |
| 最小 | 最大 | ±1,6 mm | ±0,8 mm | ±0,8 mm | ≈ | | |
| | | | ±0,063 in | ±0,031 in | ±0,031 in | | | | |
 |
| mm | mm | - | - | - |
 |
| 17,32 | 17,42 | 17,37 | 22,7 | 8 | 11,1 | 50,8 | CR 99060 | 99060 | |
SKFCR99060耐磨轴套供应商
- 八零动力专业销售CR99060耐磨轴套,库存SKFCR99060大量现货,与SKF合作,咨询热线:022-58519723

- SKFCR99060它的滚动体与沟槽的配合,堪称完美 它的表面硬化处理,延长了它的使用寿命 它在汽车工业中的应用,让车辆运行更加平稳 以卓越品质它的高可靠性,减少了设备停机时间 它的抗震性能,确保了它在振动环境下的可靠性 ,八零动力SKF耐磨轴套品种全,价格优,质量有保证!
用户关注最多的SKF轴承型号
SKF2x7308BEGBM*
SKF71802CD/P4A
SKF71819ACD/P4
SKF7228BM
SKFBTM90B/P4CDBA
SKFCR200X230X13HMSA7P2R
SKFCR63717
SKFCR9997
SKFFYT7/8WF
SKFH3132L
SKFNNCL4830CV
SKFQJ311N2MA
SKFRNA2200.2RS
SKFSAA50ES-2RS
SKFZW12x17