SKFQJ217N2MA*轴承详细参数

发布时间:2026-04-15
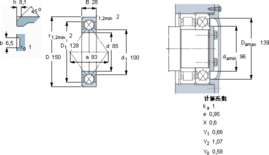
角接触球轴承, 四点接触球轴承
主要数据尺寸 基本负荷额定值 疲劳负荷限值 额定速度 体积 型号
动态 静态 参照速度 限制速度
d D B C C0 Pu * - SKF Explorer 轴承
mm kN kN r/min kg -
85150281561736,7530075002,25QJ 217 N2MA *

SKFQJ217N2MA*角接触球轴承供应商

八零动力专业销售QJ217N2MA*角接触球轴承,库存SKFQJ217N2MA*大量现货,与SKF合作,咨询热线:022-58519723业务咨询
SKFQJ217N2MA*它的轴向游隙控制,精准到令人惊叹 它在农业机械中的应用,展现了它的耐用性 每一次旋转,都是品质的见证,高品质的轴承,在各种复杂环境下都能稳定发挥作用它在轨道交通中的应用,确保了列车的安全运行 设计独特、性能优越的轴承,满足了不同用户的需求,八零动力SKF角接触球轴承品种全,价格优,质量有保证!

用户关注最多的SKF轴承型号

SKF5203A-2RS1TN9 SKF61814-2RS1 SKF71820CD/HCP4A SKF7236C/DB SKF7306B/DT SKFC4909K30V* SKFCR33X50X6HMSA10RG SKFCR70X110X10HMS5V SKFCR80009 SKFFYTBK25TF SKFNU1013ECP SKFNU2324ECM* SKFPCM220225100B SKFSYF30FM SKFSYNT35F

QJ217N2MA*角接触球轴承近似的SKF轴承型号

SKFQJ217MA SKF7217AC/DT SKF2x7217BECBY SKF7217BECBJ SKFQJ217N2MA SKF7217C SKF2x7217BECBP* SKF7217BEGAF SKF7217C/DF SKF7217B/DF SKFQJ217MA* SKFQJ218

用户关注最多的轴承狗热门型号

INA  RALE25-NPP-B STEYR  53307U NTN  23980 NMB  RF-1350ZZ TIMKEN  22330CJ NTN  6014 SKF  7304B/DF SKF  KMT34 KOYO  45334 RIV  NF205 INA  SL181856-E INA  WS89417 KOYO  7312AC/DF NTN  NUP220 TIMKEN  EE161394/161900

版权所有©2009-2015 轴承狗zcgou.com ICP备案:津ICP备14004550号-13