SKFQJ217MA*轴承详细参数

发布时间:2026-04-15
角接触球轴承, 四点接触球轴承
主要数据尺寸 基本负荷额定值 疲劳负荷限值 额定速度 体积 型号
动态 静态 参照速度 限制速度
d D B C C0 Pu * - SKF Explorer 轴承
mm kN kN r/min kg -
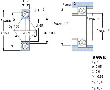
85150281561736,7530075002,25QJ 217 MA *

SKFQJ217MA*角接触球轴承供应商

八零动力专业销售QJ217MA*角接触球轴承,库存SKFQJ217MA*大量现货,与SKF合作,咨询热线:022-58519723业务咨询
SKFQJ217MA*轴承的选材优质,确保了其在各种环境下都能稳定工作匠心制造它的精密性,让它在高精度设备中无可替代 它的旋转精度,让高速运转成为现实 这轴承的选材讲究,坚固耐用,寿命远超同类产品轴承的耐用性极佳,为设备的长期稳定运行提供了保障,八零动力SKF角接触球轴承品种全,价格优,质量有保证!

用户关注最多的SKF轴承型号

SKF293/710EM SKF315020AB SKF53312 SKF59160M SKFBTW120CTN9/SP SKFHMV52E SKFKD21-805 SKFNU316ECJ* SKFPCM303420M SKFPDNB324 SKFS7011DB/P7 SKFSDAF22524x4.1/8 SKFSYE2.3/4H SKFSYNT90LTF SKFYEL205-100-2FCW

QJ217MA*角接触球轴承近似的SKF轴承型号

SKFQJ217 SKF5217A SKF7217AC/DF SKF7217BECBP* SKF7217B/DB SKF3217A SKF2x7217BECBP* SKFQJ217N2MA* SKF7217AC/DT SKF7217B/DF SKFQJ217N2MA SKFQJ217N2MA*

用户关注最多的轴承狗热门型号

FAG  SNV120-L + 2213-K-TVH-C3 + H313X203 + TCV513X203 FYH  UC307 国产  K60*65*30 K MRC  NJ304 RIV  NU1040 SNR  3210A-RS FAG  SNV090-L + 1210-K-TVH-C3 + H210X112 + DH510 KOYO  7217B/DF MAC  NUP2213 LYC  112.80.3200.03 SKF  SDAF23072KAx13.7/16 STEYR  32010 FAG  H206X014 SKF  GAC45F IKO  LWET45.../U

版权所有©2009-2015 轴承狗zcgou.com ICP备案:津ICP备14004550号-13