SKF7217BECBY轴承详细参数

发布时间:2026-04-15
角接触球轴承, 单列
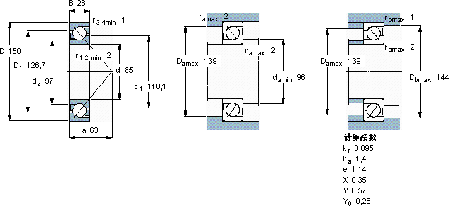
主要数据尺寸 尺寸 [英寸] 疲劳负荷限值 额定速度 体积 型号
动态 静态 参照速度 限制速度
d D B C C0 Pu
mm kN kN r/min kg -
851502895,6833,25500050001,837217 BECBY

SKF7217BECBY角接触球轴承供应商

八零动力专业销售7217BECBY角接触球轴承,库存SKF7217BECBY大量现货,与SKF合作,咨询热线:022-58519723业务咨询
SKF7217BECBY它的旋转精度,让高速运转成为现实 它的低摩擦设计,减少了能量损耗 是机械世界的璀璨明星,它机械世界的心脏,默默支撑着无数设备的运转 它的抗冲击能力,让它经久不衰 它的稳定性,让它在各种环境下都能可靠工作 ,八零动力SKF角接触球轴承品种全,价格优,质量有保证!

用户关注最多的SKF轴承型号

SKF2307EKTN9 SKF292/850EM SKF30204 SKF331713A SKF51160M SKF625-2RZTN9/HC5C3WTF1 SKF6322 SKF7206CD/P4A SKF7418M SKFC2244K+AOH2244* SKFCR21164 SKFCR401001 SKFCR38X55X8HMS5V SKFHK1014.2RS SKFNCF2930CV

7217BECBY角接触球轴承近似的SKF轴承型号

SKF7217B/DT SKF7217B/DF SKF2x7217BECBM SKF7217BEP SKF7217AC SKF2x7217BEGAF SKF7217BECBY SKF7217BECBM SKF7217AC/DB SKF7217BECBJ SKF7217BECBP* SKF7217BEGAF

用户关注最多的轴承狗热门型号

RHP  7301B FAG  SNV100-L + 22309-E1-K + H2309X108 + TCV609X108 INA  BCE58-P SKF  L44643/610/Q NSK  239/630CAE4 SKF  NUP304E TIMKEN  369-S/363D ZKL  32318 NSK  7226ADT LYC  6305 E-RS SKF  21318E* SKF  7318BEP LYC  380088 FW INA  NK40/20-TV SKF  BK1010

版权所有©2009-2015 轴承狗zcgou.com ICP备案:津ICP备14004550号-13