SKF7217BEP轴承详细参数

发布时间:2026-05-30
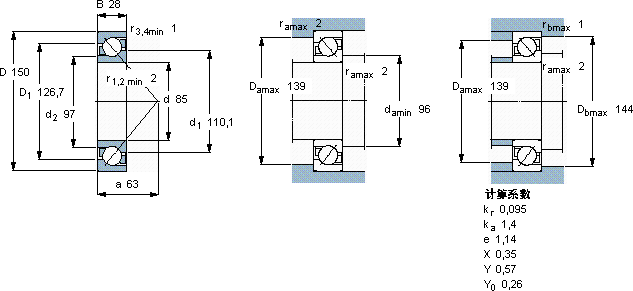
角接触球轴承, 单列
主要数据尺寸 尺寸 [英寸] 疲劳负荷限值 额定速度 体积 型号
动态 静态 参照速度 限制速度
d D B C C0 Pu
mm kN kN r/min kg -
851502895,6833,25500050001,837217 BEP

SKF7217BEP角接触球轴承供应商

八零动力专业销售7217BEP角接触球轴承,库存SKF7217BEP大量现货,与SKF合作,咨询热线:022-58519723业务咨询
SKF7217BEP性能优越的轴承,极大地提高了设备的工作效率和稳定性它的尺寸精度,达到了微米级的极致 它的微观表面处理,减少了摩擦和磨损 设计独特的轴承,不仅性能优越,还具有很高的性价比设计合理、性能优良的它,是机械设备实现高效运行的重要保障该轴承的性能出色,有效提升了机械设备的整体性能,八零动力SKF角接触球轴承品种全,价格优,质量有保证!

用户关注最多的SKF轴承型号

SKF24072CCK30/W33+AOH24072* SKF2x7313BEGBP* SKF3201A-2ZTN9/MT33 SKF7234BCBM SKF89311TN SKFBT4B332659/HA1 SKFCR32X50X8HMSA10V SKFCR86458 SKFFSYE4.H SKFMS30/560 SKFNCF1888V SKFNJ311ECP* SKFNU202ECP SKFPCM13514060E SKFYET205/VL065

7217BEP角接触球轴承近似的SKF轴承型号

SKF7217B/DB SKF7217B/DF SKF7217AC/DB SKF7217C SKF7217BEP SKF7217BECBM SKF2x7217BECBM SKF7217BECBM SKF2x7217BECBY SKF7217AC SKF7217BEGAF SKF7218AC

用户关注最多的轴承狗热门型号

MRC  7300C LYC  351041 X3D1 ASK  NJ426 MRC  6316N LYC  6209 E/C2 SKF  1726204-2RS1 ZKL  32209 STEYR  1216K+H216 SKF  BT4B328391G/HA1 SNR  7032AC/DT FAG  HC7024-C-T-P4S LYC  132.50.3550.11 SKF  CR85908 NACHI  NU310EG IKO  LWLF6

版权所有©2009-2015 轴承狗zcgou.com ICP备案:津ICP备14004550号-13