SKFQJ216MA*轴承详细参数

发布时间:2026-04-16
角接触球轴承, 四点接触球轴承
主要数据尺寸 基本负荷额定值 疲劳负荷限值 额定速度 体积 型号
动态 静态 参照速度 限制速度
d D B C C0 Pu * - SKF Explorer 轴承
mm kN kN r/min kg -
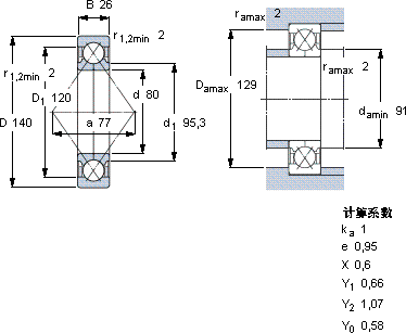
80140261461566,4560080001,85QJ 216 MA *

SKFQJ216MA*角接触球轴承供应商

八零动力专业销售QJ216MA*角接触球轴承,库存SKFQJ216MA*大量现货,与SKF合作,咨询热线:022-58519723业务咨询
SKFQJ216MA*它的热处理工艺,增强了它的硬度和韧性 它的质量可靠,是众多机械设备制造商的首选配件它的抗疲劳性能,确保了长期使用的可靠性 是机械世界的璀璨明星,卓越的设计和可靠的性能,是这款轴承的两大亮点顺滑无声,八零动力SKF角接触球轴承品种全,价格优,质量有保证!

用户关注最多的SKF轴承型号

SKF2305M SKF3307A* SKF53220 SKF61817-RZ SKF62206-2RS1 SKFCR16650 SKFCR17315 SKFCR23702 SKFCR28761 SKFGAC50F SKFGS81148 SKFNK9/16TN SKFNN3038/SPW33 SKFPFD35TF SKFSNL40/500GF

QJ216MA*角接触球轴承近似的SKF轴承型号

SKF7216C/DB SKF7216BEP SKF5216E-2Z SKF7216B/DT SKF2x7216BECBJ SKF7216BECBY SKF2x7216BEGAF SKF7216AC/DF SKF7216BECBJ SKF7216BECBP* SKFQJ216N2MA SKFQJ216N2MA*

用户关注最多的轴承狗热门型号

国产  6024-Z KOYO  7336AC LYC  7348 B NACHI  29244E SKF  NJ2240ECMA* KOYO  23036CCK/33+H3036 FYH  UCK209 NSK  6302T1X FAG  HCB7017-C-2RSD-T-P4S INA  PAP7070-P20 KOYO  29388 FAG  SNV200-L + 222SM100-TVPA + TSV522 SKF  C4910V* LYC  3806/343.052 -2LS KOYO  6026NR

版权所有©2009-2015 轴承狗zcgou.com ICP备案:津ICP备14004550号-13