SKF7216BEP轴承详细参数

发布时间:2026-04-15
角接触球轴承, 单列
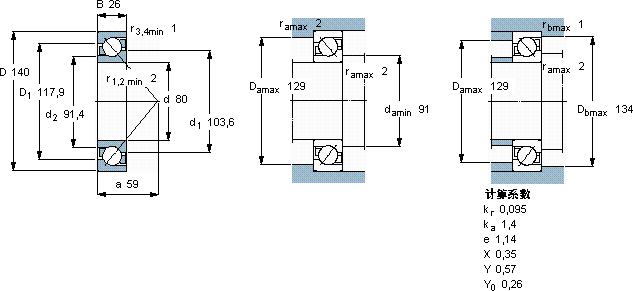
主要数据尺寸 尺寸 [英寸] 疲劳负荷限值 额定速度 体积 型号
动态 静态 参照速度 限制速度
d D B C C0 Pu
mm kN kN r/min kg -
801402680,669,52,8530053001,437216 BEP

SKF7216BEP角接触球轴承供应商

八零动力专业销售7216BEP角接触球轴承,库存SKF7216BEP大量现货,与SKF合作,咨询热线:022-58519723业务咨询
SKF7216BEP优秀的设计理念和精湛的制造工艺,成就了这款杰出的轴承它的耐腐蚀性,减少了维护成本 高品质的轴承,在复杂工况下也能展现出卓越的性能质量上乘的轴承,为设备的高效稳定运行奠定了基础精湛的制造工艺赋予了这款轴承出色的性能和可靠性是您值得信赖的工业伙伴,为您的机械保驾护航,八零动力SKF角接触球轴承品种全,价格优,质量有保证!

用户关注最多的SKF轴承型号

SKF30312J2/Q SKF51428M SKF6006-RZ* SKF7015AC SKF7201AC SKFBTM120B/HCP4CDBB SKFCR22363 SKFCR18924 SKFCR370x420x25HDS1R1 SKFCR84781 SKFHK3016 SKFNK10/12 SKFNCF28/750V SKFS71908CD/P4A SKFSNW38x7

7216BEP角接触球轴承近似的SKF轴承型号

SKF2x7216BECBJ SKF7216C/DB SKF7216B SKF7216B/DT SKF7216BECBP SKF7216BEGAP* SKF7216C/DF SKF2x7216BECBY SKF7216C SKF7216BECBP* SKF7216BEP SKF7217AC

用户关注最多的轴承狗热门型号

SKF  BT4B328282/HA1 FAG  6000-2RSR SKF  6207/HR11QN SKF  6216N TIMKEN  93825/93127CD+X3S-93825 TIMKEN  95475 /95925-B KOYO  30214CR SKF  FYRP2.3/16-3 国产  AXK1730 SKF  7313BEGBM* NTN  7321C/DT SKF  C39/950KMB* SKF  MB36 KOYO  23232RK+AH3232 SKF  SNW44x7.7/8

版权所有©2009-2015 轴承狗zcgou.com ICP备案:津ICP备14004550号-13