SKFQJ216N2MA*轴承详细参数

发布时间:2026-04-16
角接触球轴承, 四点接触球轴承
主要数据尺寸 基本负荷额定值 疲劳负荷限值 额定速度 体积 型号
动态 静态 参照速度 限制速度
d D B C C0 Pu * - SKF Explorer 轴承
mm kN kN r/min kg -
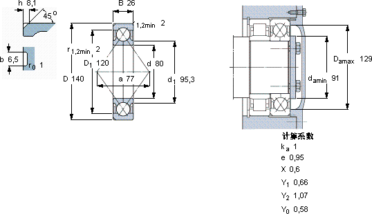
80140261461566,4560080001,85QJ 216 N2MA *

SKFQJ216N2MA*角接触球轴承供应商

八零动力专业销售QJ216N2MA*角接触球轴承,库存SKFQJ216N2MA*大量现货,与SKF合作,咨询热线:022-58519723业务咨询
SKFQJ216N2MA*质量无可挑剔的轴承,在行业内树立了良好的口碑和形象它的抗剪切性能,确保了它的结构稳定性 其设计和制造工艺都达到了国际先进水平,是一款优质轴承开启顺畅运行新时代,为您的机械提供持久动力,它在印刷机械中的应用,展现了它的高精度 ,八零动力SKF角接触球轴承品种全,价格优,质量有保证!

用户关注最多的SKF轴承型号

SKF314990A SKF625-2Z* SKF708ACD/P4A SKF71905ACE/P4A SKF71917ACD/P4A SKF7228B SKFBEAM030080-2RS/PE SKFBTM65B/P4CDBA SKFCR14500 SKFCR20118 SKFCR43x57x8CRW1R SKFIR25x30x38.5 SKFSY20TF/VA228 SKFSYM1.3/4TF SKFYAR215-215-2F/AH

QJ216N2MA*角接触球轴承近似的SKF轴承型号

SKF7216BEGAM* SKFQJ216N2MA* SKF2x7216BECBP* SKF7216B/DT SKF2x7216BEGAF SKF3216A SKF7216C/DF SKF7216BECBM* SKF7216B SKF5216E SKFQJ216MA* SKFQJ217

用户关注最多的轴承狗热门型号

TORRINGTON&FAFNIR  7202C LYC  21318 CA KOYO  22340CC/W33 FLT  NU208 SKF  WS81188 SKF  NNU49/560/W33 LYC  FZ-8 TIMKEN  82788/82720 GMN  71908C MRC  7221AC/DB NSK  NU426M SKF  HK2516 LYC  6200 E-RS SKF  314990A IKO  TA1020Z

版权所有©2009-2015 轴承狗zcgou.com ICP备案:津ICP备14004550号-13