SKF7216BEGAF轴承详细参数

发布时间:2026-04-14
角接触球轴承, 单列
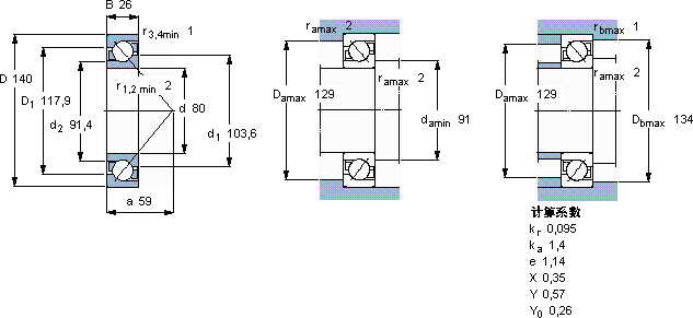
主要数据尺寸 尺寸 [英寸] 疲劳负荷限值 额定速度 体积 型号
动态 静态 参照速度 限制速度
d D B C C0 Pu
mm kN kN r/min kg -
801402680,669,52,8530053001,607216 BEGAF

SKF7216BEGAF角接触球轴承供应商

八零动力专业销售7216BEGAF角接触球轴承,库存SKF7216BEGAF大量现货,与SKF合作,咨询热线:022-58519723业务咨询
SKF7216BEGAF这款轴承的运转平稳,几乎听不到任何噪音,令人惊艳其质量上乘,是众多机械设备不可或缺的优质配件它的密封性能,完美抵御灰尘和杂质的侵袭 它在印刷机械中的应用,展现了它的高精度 质量无可比拟的轴承,在行业内树立了良好的品质标杆它的材质选择,体现了对耐用性的极致追求 ,八零动力SKF角接触球轴承品种全,价格优,质量有保证!

用户关注最多的SKF轴承型号

SKF23034-2CS5/VT143* SKF240/560ECAK30/W33+AOH240/560G* SKF24122CCK30/W33* SKF2x718/560AGMB SKF307101C SKF6004-2RSLTN9/HC5C3WT SKFBEAS030062-2RS SKFBT4B331333BG/HA1 SKFCR405003 SKFCR4700566 SKFCR99587 SKFGE45ES SKFPCMF121417E SKFPCMW183201.5M SKFYAR204-012-2F/AH

7216BEGAF角接触球轴承近似的SKF轴承型号

SKF7216AC/DT SKF7216C/DF SKF2x7216BEGAF SKF7216BEP SKF7216BECBJ SKF7216BECBM SKF2x7216BEGAM* SKF7216AC SKF7216B/DF SKF7216C SKF7216BECBY SKF7216BEGAM*

用户关注最多的轴承狗热门型号

MRC  7008C/DT NACHI  395S/394A SKF  2x7309BEGAP* SKF  7216BECBJ SKF  NNU4176M MRC  6221-Z SKF  CR99374 FYH  UC326 KOYO  7321B/DF 国产  6350 LYC  381176/C2 NACHI  SN207F FAG  S3052-H-N-FZ-AF-L + 23052-K-MB FAG  SNV180-L + 20220-K-MB-C3 + H220 + FSV520 KOYO  NF205

版权所有©2009-2015 轴承狗zcgou.com ICP备案:津ICP备14004550号-13