SKF7216BECBP*轴承详细参数

发布时间:2026-04-15
角接触球轴承, 单列
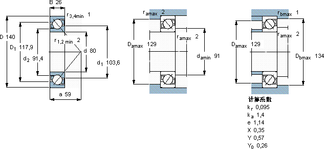
主要数据尺寸 尺寸 [英寸] 疲劳负荷限值 额定速度 体积 型号
动态 静态 参照速度 限制速度
d D B C C0 Pu * - SKF Explorer 轴承
mm kN kN r/min kg -
801402685753,05560056001,437216 BECBP *

SKF7216BECBP*角接触球轴承供应商

八零动力专业销售7216BECBP*角接触球轴承,库存SKF7216BECBP*大量现货,与SKF合作,咨询热线:022-58519723业务咨询
SKF7216BECBP*高精度与高可靠性的完美结合,成就了这款杰出的轴承轴承的稳定性和可靠性表现出色,赢得了用户的高度认可卓越的性能表现,让这款轴承在市场上脱颖而出这轴承的设计巧妙,充分考虑了设备的运行需求和维护便利性它在纺织机械中的应用,确保了设备的高速运转 它的热处理工艺,增强了它的硬度和韧性 ,八零动力SKF角接触球轴承品种全,价格优,质量有保证!

用户关注最多的SKF轴承型号

SKF2201 SKF23272CA/W33* SKF332394 SKF6014-Z* SKF7015CE/HCP4A SKF7206BEGAY SKFC30/750KMB+OH30/750HE* SKFCR15920 SKFCR36x60x8CRW1V SKFFY2.TF/AH SKFHMV21E SKFNNU4980/W33 SKFOKTC465 SKFSI35ES-2RS SKFSNW9x1.1/2

7216BECBP*角接触球轴承近似的SKF轴承型号

SKF7216AC/DF SKF7216C/DB SKF7216C/DF SKF2x7216BEGAM* SKF7216BEP SKF7216BEGAP* SKF7216BECBP* SKF7216B SKF2x7216BECBM* SKF7216AC/DB SKF7216BECBM* SKF7216BECBY

用户关注最多的轴承狗热门型号

FAG  F-800481.ZL-K-C5 FAG  SD552-N-FZ-AL-L + 222SM240-MA SKF  CR99059 SKF  29428 SKF  7307BECBP KOYO  R36/31 INA  ZKLN1747-2RS-2AP SKF  RNA6905 SKF  HK1814RS SKF  NU1032M INA  PAP13580-P10 SKF  SAF22622x3.13/16 RHP  71910C KOYO  23064R IKO  BHAM117

版权所有©2009-2015 轴承狗zcgou.com ICP备案:津ICP备14004550号-13