SKFQJ211N2MA*轴承详细参数

发布时间:2026-04-14
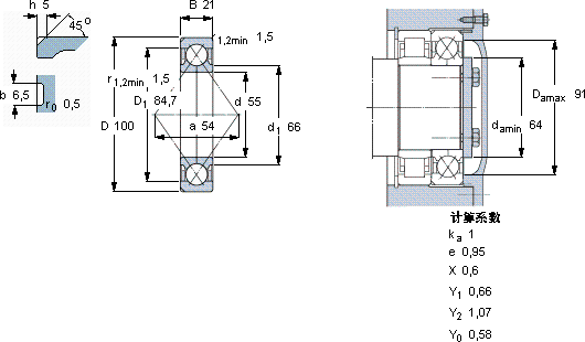
角接触球轴承, 四点接触球轴承
主要数据尺寸 基本负荷额定值 疲劳负荷限值 额定速度 体积 型号
动态 静态 参照速度 限制速度
d D B C C0 Pu * - SKF Explorer 轴承
mm kN kN r/min kg -
551002185833,558000110000,77QJ 211 N2MA *

SKFQJ211N2MA*角接触球轴承供应商

八零动力专业销售QJ211N2MA*角接触球轴承,库存SKFQJ211N2MA*大量现货,与SKF合作,咨询热线:022-58519723业务咨询
SKFQJ211N2MA*质量无可比拟的轴承,在行业内树立了良好的品质标杆轴承的稳定性和可靠性表现卓越,赢得了广泛赞誉高精度的轴承,为设备的稳定运行提供了坚实保障这轴承的稳定性极佳,在高速运转时也能保持良好状态它的抗变形能力,让它在高负载下依然保持形状 它在农业机械中的应用,展现了它的耐用性 ,八零动力SKF角接触球轴承品种全,价格优,质量有保证!

用户关注最多的SKF轴承型号

SKF24168ECCK30J/W33+AOH24168* SKF62311-2RS1 SKF7019CD/HCP4A SKF7226C SKF81126 SKFCR45x68x8CRW1R SKFCR70x88x8CRW1R SKFFYTL35THR SKFM30x1.5 SKFNA69/32 SKFNU2268MA SKFQJ226 SKFSALKB20F SKFSC7008DB/P7 SKFSYNT100LW

QJ211N2MA*角接触球轴承近似的SKF轴承型号

SKF3211 SKF7211BECBP SKF7211BEGBY SKF3211A-2Z SKF7211BECBJ SKF5211E-2Z SKFQJ211 SKF7211C/DF SKF2x7211BECBM* SKF7211B/DF SKFQJ211MA* SKFQJ212

用户关注最多的轴承狗热门型号

SKF  NJ2313ECML* NTN  6011-RS THK  LB203245AJ FAG  21320-E1-K-TVPB + H320 NSK  UCF211D1 SKF  7303BECBP MRC  QJ219 INA  AS1528 SKF  CR19635 SKF  16008/HR22Q2 TIMKEN  320RT51 NACHI  NJ2222E NTN  23288CACK/W33 NSK  NN3019 国产  7314C

版权所有©2009-2015 轴承狗zcgou.com ICP备案:津ICP备14004550号-13